EasyManua.ls Logo

Yanmar 4JH4E - Lube Oil Cooler; Lube Oil Cooler Construction; Inspecting the Lube Oil Cooler

Yanmar 4JH4E
350 pages
Print Icon
To Next Page IconTo Next Page
To Next Page IconTo Next Page
To Previous Page IconTo Previous Page
To Previous Page IconTo Previous Page
Loading...
8. Lubrication system
258
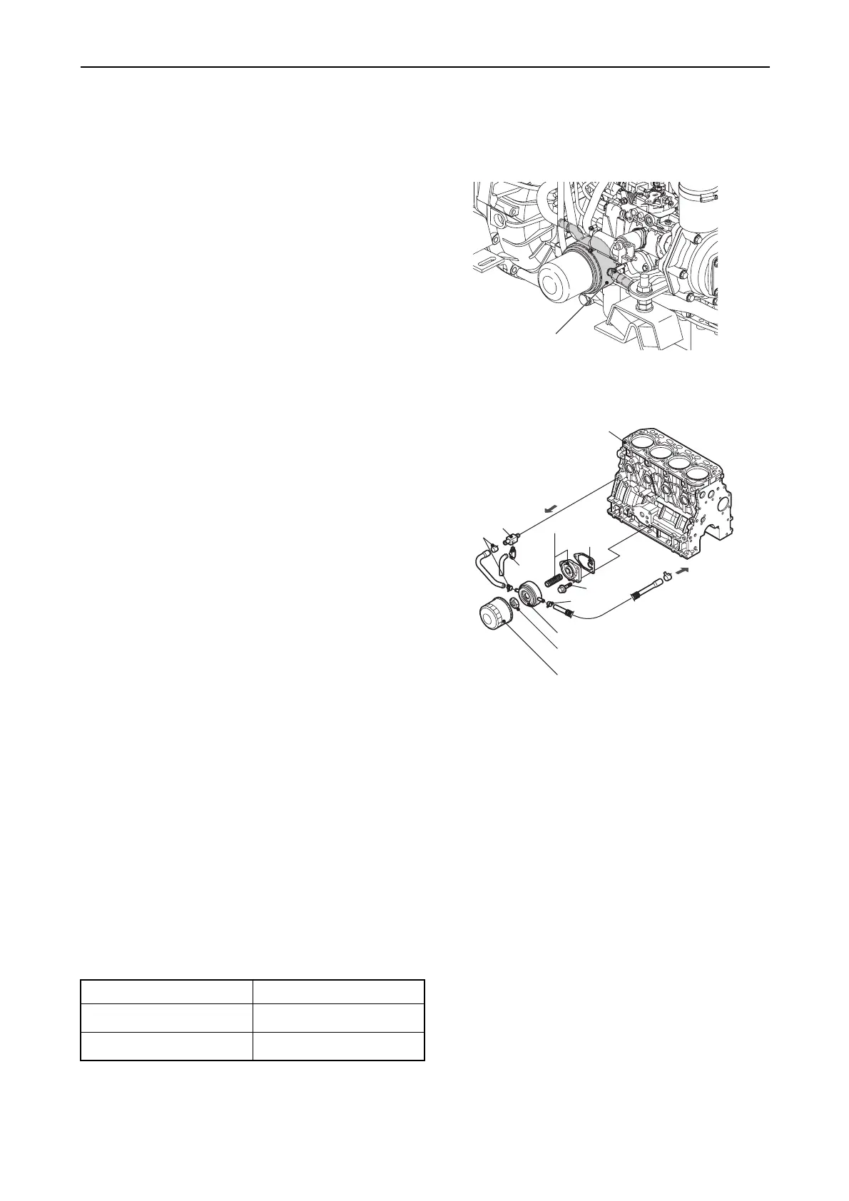
8.4 Lube oil cooler
8.4.1 Lube oil cooler construction
The lube oil cooler is located between the lube oil
filter and the filter bracket, which is mounted on the
cylinder block.
The lube oil is cooled by fresh water.
8.4.2 Inspecting the lube oil cooler
(1) Clean the coolant path (fresh water) of
the lube oil cooler to prevent the buildup
of scale.
(2) If the rubber hose connection or welds
are corroded, repair or replace the
cooler.
(3) Apply the following water pressures to
the fresh water path and lube oil path
lines to check for any leakage. Repair or
replace the cooler if there are any leaks.
Test pressure
Lube oil circuit
0.98 MPa (9.6 kgf/cm
2
)
Fresh water path
0.20 MPa (2.0 kgf/cm
2
)
Lube oil cooler
010545-00E
Lube oil filter
Lube oil cooler nut
Lube oil cooler
Clamp
Clamp
Bolt
To fresh
water pump
Fresh water
Cylinder block
Gasket
Filter bracket
Joint
Drain cock
010546-00E
4JH4-TE

Table of Contents

Related product manuals