EasyManua.ls Logo

Alfa Laval Micro - Micro STC and Micro STC2

Alfa Laval Micro
276 pages
Print Icon
To Next Page IconTo Next Page
To Next Page IconTo Next Page
To Previous Page IconTo Previous Page
To Previous Page IconTo Previous Page
Loading...
Alfa Laval Micro
Installation, service och driftinstruktion
50
Micro STC and Micro STC2 17.2
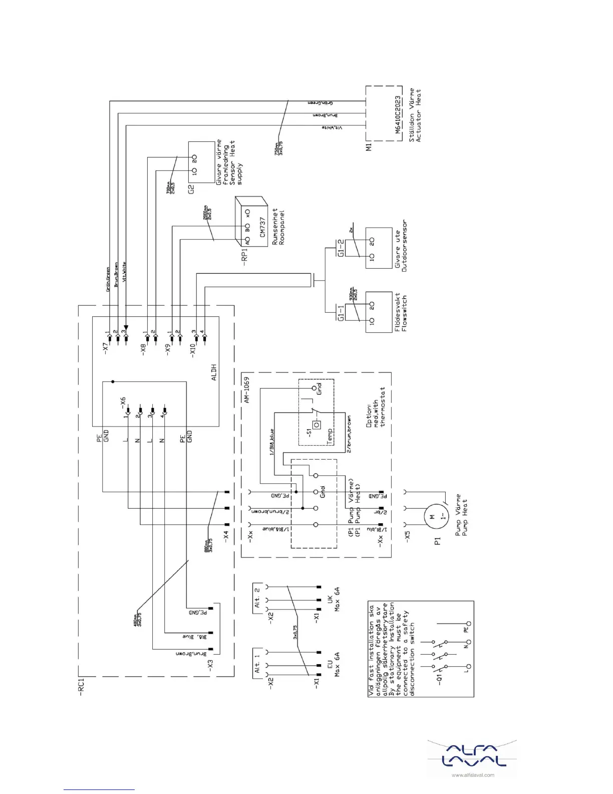
Bild 38

Table of Contents

Other manuals for Alfa Laval Micro

Related product manuals