EasyManua.ls Logo

Alfa Laval Micro - Micro STC en Micro STC2

Alfa Laval Micro
276 pages
Print Icon
To Next Page IconTo Next Page
To Next Page IconTo Next Page
To Previous Page IconTo Previous Page
To Previous Page IconTo Previous Page
Loading...
Alfa Laval Micro
Instructies voor installatie, onderhoud en bediening
50
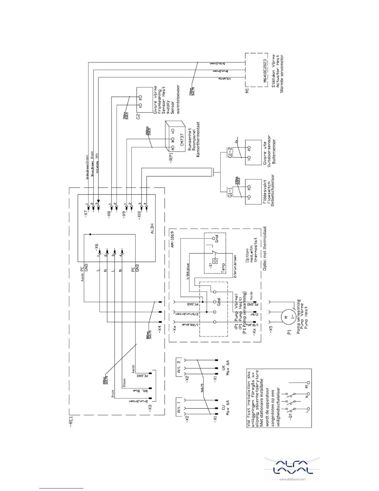
17.2 Micro STC en Micro STC2
Afbeelding 38

Table of Contents

Other manuals for Alfa Laval Micro

Related product manuals