EasyManua.ls Logo

Alfa Laval Micro - Micro STC2; Micro HTC

Alfa Laval Micro
276 pages
Print Icon
To Next Page IconTo Next Page
To Next Page IconTo Next Page
To Previous Page IconTo Previous Page
To Previous Page IconTo Previous Page
Loading...
Alfa Laval Micro
Consignes d'installation, d'entretien et d'exploitation
53
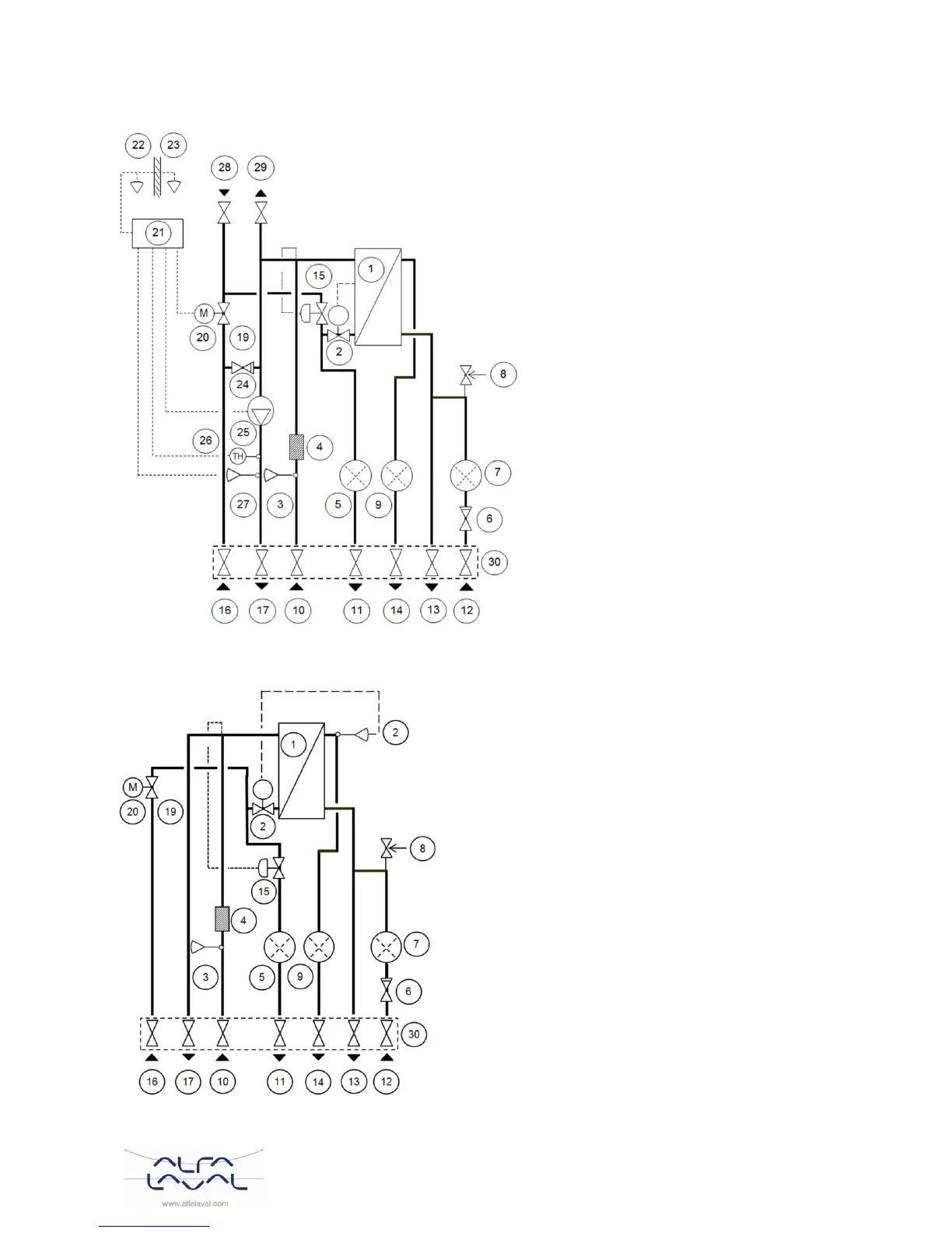
18.5 Micro STC2
Photo 43
18.6 Micro HTC
Photo 44

Table of Contents

Other manuals for Alfa Laval Micro

Related product manuals