EasyManua.ls Logo

Ammann AP 240 - Page 161

Ammann AP 240
170 pages
Print Icon
To Next Page IconTo Next Page
To Next Page IconTo Next Page
To Previous Page IconTo Previous Page
To Previous Page IconTo Previous Page
Loading...
155AP 240
MAINTENANCE MANUAL
X6:5
X4:7
X6:6
X6:7
X4:8
X6:8
X4:2
X4:3
X4:4
X4:5
X4:6
26 60 41 19 30 53
45 44 54 28 35 27 1 21
1
5
6
10k
1
7
3
5A
X9:4 X9:3
S
S
-
-
+
+
A
B
A
B
C
A
B
C
A
B
C
A
B
C
A
B
C
A
B
C
A B
C D E F G
1A
A2
A3
A4 A5
A1
A6
G
X7:1
X21:2,3 X8:3,4
X20:4,5
15A
X23:1 X21:6
X23:2 X21:4,5 X8:5,6
X22:1
X22:4
X22:2
X22:3
X23:3
X21:7 X20:8,9
X21:8
X21:10
X21:11
5
5
7
1
1
5
7
3
1
X12:2 X7:3
X12:1 X7:2
+
-
X14:1
X14:2
X14:4
X14:3t
OUT
-
+
10A
C
Y
R
OR
C
Y
R
OR
C
Y
R
OR
5
3
2
1
5
3
1
2
5 3
5 3
2 1
2 1
A3
A4
A5
B3
B4
B5
A1
X6:10
X13:1 25A
X4:11
X5:11
X7:4
X7:5
X13:2 X6:11
10A
7
1
3
X113:4
X113:1 X113:2 X113:3
°C
MPa
S18
ABBCDE G
H8
F11
P1
P2
H9
H10
H12
H13
H14
H16
H11
R3
X36
B1
B2
B3
S19
S20
S21
S22
S24
X41 X42
X43
X38 X39
X40
B4
X37
A3
F12
F13
S25
S26
S27
M2
M3
M4
M5
M6
H17
S29
F14
M7
M8
M9
K5
F15
S30
K6
K7
K8
S33 S32
Y8
Y9
AUTOCLIMA
Y7
S34
F16
F17
F18
M
M
M
M
M
M
M
M
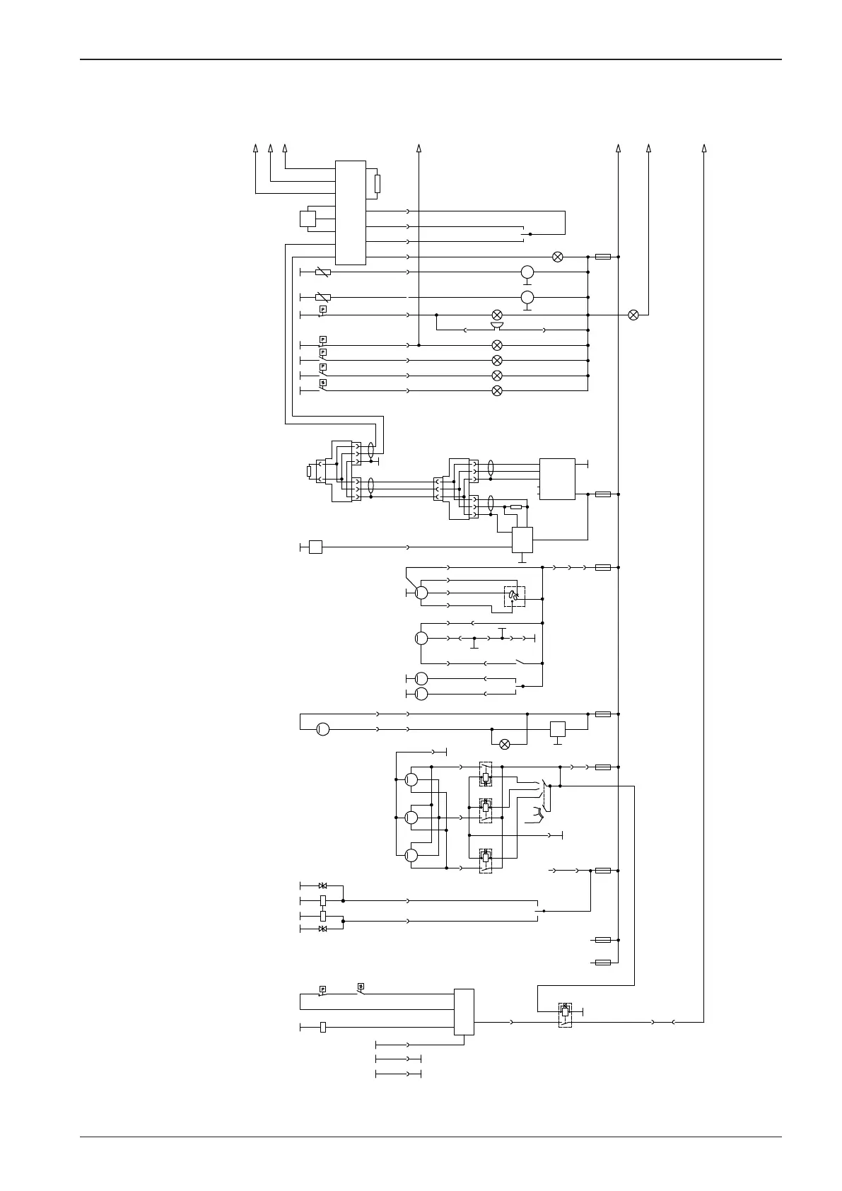
Engine conector
107672_2en
Throtle pedal position
Gearbox oil temperatures
Gear box oil pressure
Brake failure
Brake
Hydraulic liquid lter
Intake engine lter
Hydraulic liquid overheating
Front wiper
Rear wiper
Windscreen washer
Rear window washer
Sprinkling
Fans
Aircondition compressor clutch
Edge cutter - up
Edge cutter - down
Reserve
Reserve
Engine
socket J1939

Table of Contents

Related product manuals