EasyManua.ls Logo

Ammann AP 240 - Page 163

Ammann AP 240
170 pages
Print Icon
To Next Page IconTo Next Page
To Next Page IconTo Next Page
To Previous Page IconTo Previous Page
To Previous Page IconTo Previous Page
Loading...
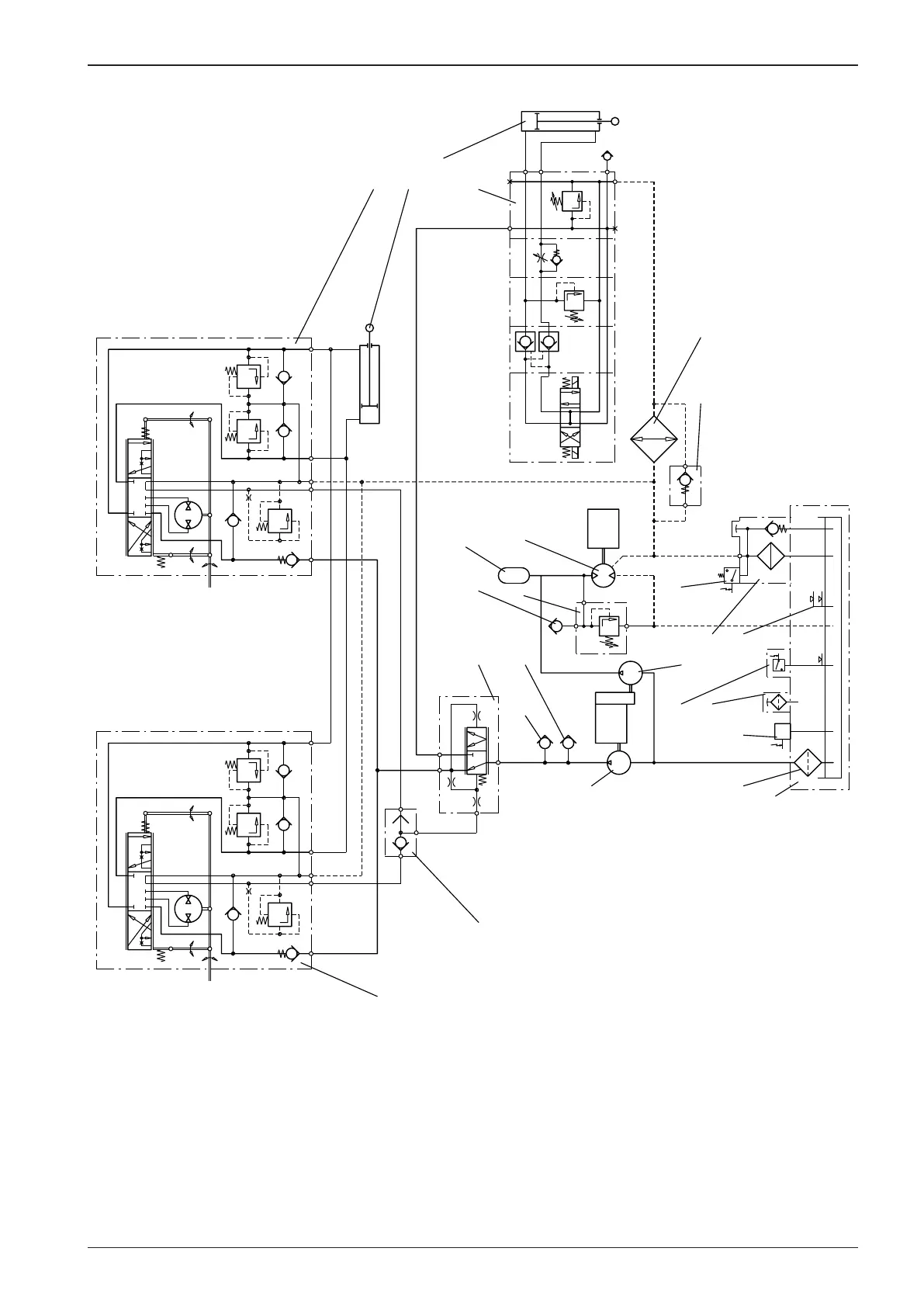
157AP 240
MAINTENANCE MANUAL
P T L RLD
80/40-200
i=1.0
rpm
2200
16
20
17.9
2300
rpm
LD RLTP
2030
PSI
2030
PSI
2900
PSI
2900
PSI
2900
PSI
2900
PSI
200
200
M
T
P
P T
A B
63/32-250
A1
B1
P
LD
3045
PSI
1885
PSI
1595
PSI
Dn10
Dn10
Dn8Dn8
Dn19
Dn16
Dn12
Dn8
Dn12
Dn10 Dn10
Dn12
Dn12
Dn12
Dn12
Dn10
Dn10
Dn32
85° C
17.4 PSI
i=1.0
72.5 PSI
Dn19
100
P2
T
M
Dn12
1740 PSI
23
Dn25
CF EF
4
5
6
11
12
7
6
1
10
13
15
16
17
18
19
22 23
3
9
8
24
2
21
20
14
211337_en
Engine
Gear box
Compressor

Table of Contents

Related product manuals