EasyManua.ls Logo

Ammann AP 240 - Page 165

Ammann AP 240
170 pages
Print Icon
To Next Page IconTo Next Page
To Next Page IconTo Next Page
To Previous Page IconTo Previous Page
To Previous Page IconTo Previous Page
Loading...
159AP 240
MAINTENANCE MANUAL
300
Dn12
2
1 3
1 3
2
24
23
1
22
321
Dn9
Dn12
Dn9
Dn6
Dn6
Dn12 Dn6
Dn12
Dn12
Dn6
Dn6
Dn6
Dn6 Dn6
Dn6
Dn6
Dn6
Dn9
Dn6Dn6
Dn32
63/36/160
200 kPa
Dn18
32
514
Dn9
200 kPa
Dn9
Dn9
520 kPa
500±50 kPa
62mbar
Dn9
63/36/160
RPM
2400
Hydromotor
18 ccm
Dn19
Dn12
Dn12
Dn12
202021
8
29
26
10
4
16
3
25
7
14
18
6
6
9
1328 1127
24
23
22
24
23
15
13
11
18
1515 12
17
5
2
1
211548_en
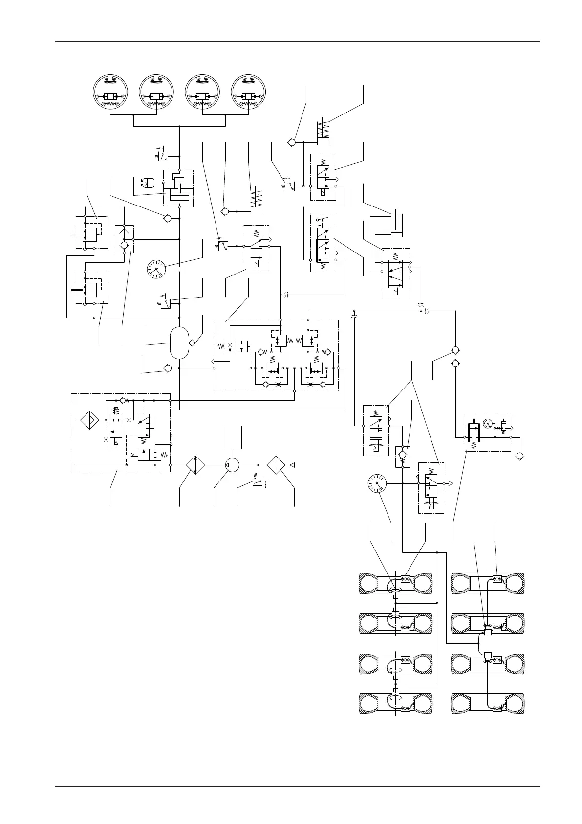
Front axle
Rear axle
system
inflation
Central tyre
Inflation via hose
Hand brake
control
lock control
Differential

Table of Contents

Related product manuals