EasyManua.ls Logo

Berthold LB 4700 - Page 169

Berthold LB 4700
198 pages
Print Icon
To Next Page IconTo Next Page
To Next Page IconTo Next Page
To Previous Page IconTo Previous Page
To Previous Page IconTo Previous Page
Loading...
56926TI Rev.01, 04/2019
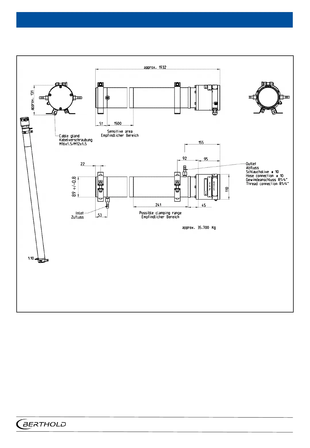
Technical Information LB 4700 Detectors
Technische Information LB 4700 Detektoren
UniSENS 1500mm with water-cooling
UniSENS 1500mm mit Wasserkühlung
Dimensions in mm
Abmessungen in mm

Table of Contents

Related product manuals