EasyManua.ls Logo

BRP SUMMIT - Page 82

BRP SUMMIT
502 pages
Print Icon
To Next Page IconTo Next Page
To Next Page IconTo Next Page
To Previous Page IconTo Previous Page
To Previous Page IconTo Previous Page
Loading...
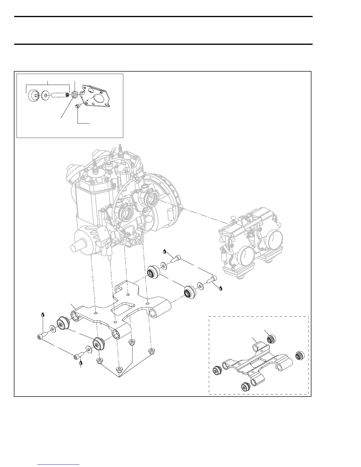
Section 03 ENGINES
Subsection 03 (ENGINE REMOVAL AND INSTALLATION)
Liquid-Cooled Engines
A33C4JS
Loctite
243
1
3
Loctite
243
35 Nm
(26 lbfft)
4
48 Nm
(35 lbfft)
5
4
593 engines
1
Loctite 243
Loctite 243
48 Nm
(35 lbfft)
50 Nm
(37 lbfft)
7.5 Nm
(66 lbfin)
2
6
5
5
64 mmr2005-070

Table of Contents

Related product manuals