EasyManua.ls Logo

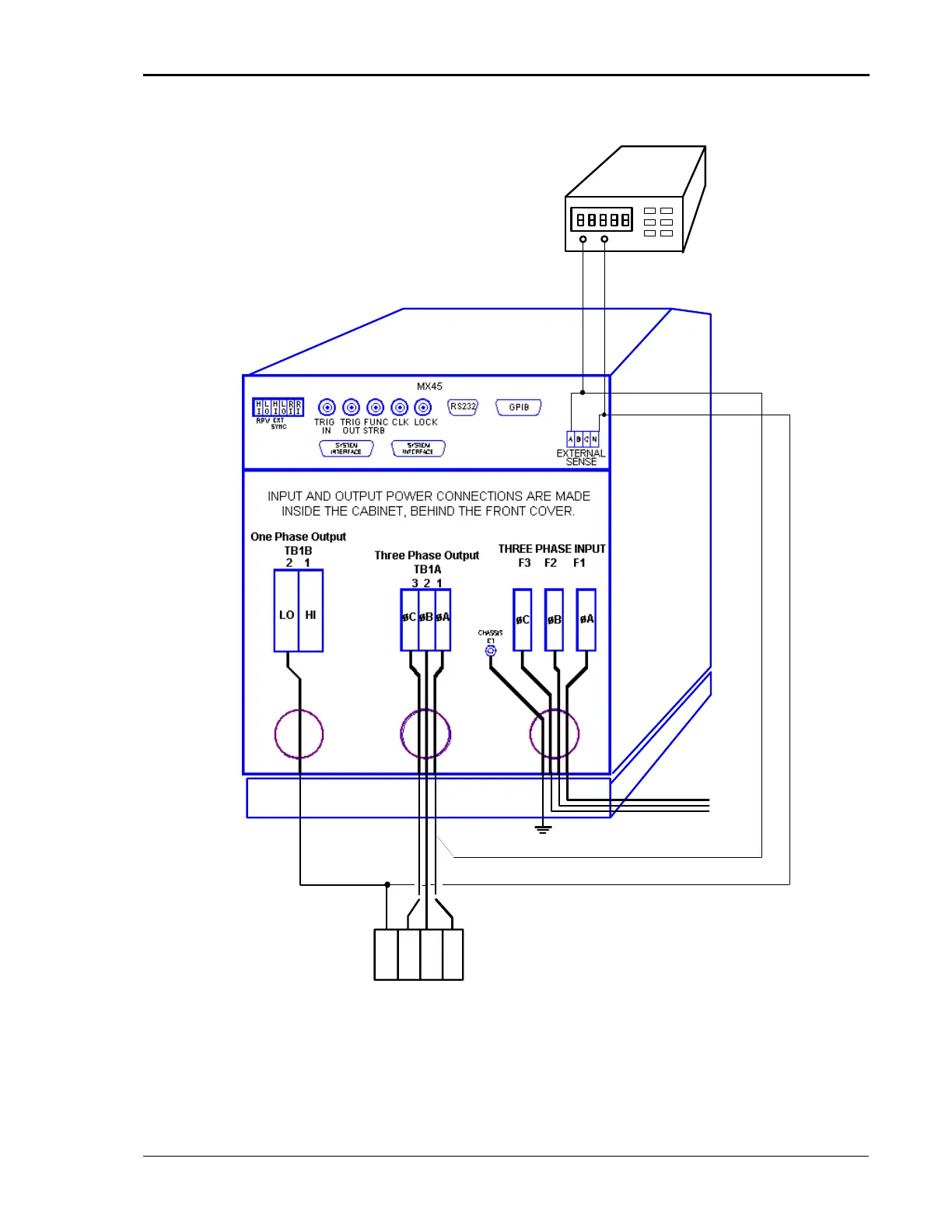
California Instruments MX30-1 - Figure 6-2: Calibration Setup MX30-3 Pi, MX45-3 Pi or MX30-3, MX45-3 (Rear View)

California Instruments MX30-1
246 pages
Print Icon
To Next Page IconTo Next Page
To Next Page IconTo Next Page
To Previous Page IconTo Previous Page
To Previous Page IconTo Previous Page
Loading...
User Manual - Rev AJ California Instruments
DMM
HI LO
eAC Lin
Input
Co
A,
nnect
B or C
SENSE LEADS
EUT
CONNECTION
N C B A
Figure 6-2: Calibration Setup MX30-3Pi, MX45-3Pi or MX30-3, MX45-3 (Rear view)
MX Series 159

Table of Contents

Related product manuals