EasyManua.ls Logo

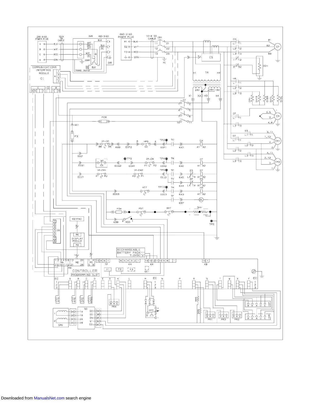
Carrier 69NT40-511-310 - Figure 7-2 SCHEMATIC DIAGRAM - Units with PID Numbers: NT0435, NT0566 and NT0669

Carrier 69NT40-511-310
116 pages
Print Icon
To Next Page IconTo Next Page
To Next Page IconTo Next Page
To Previous Page IconTo Previous Page
To Previous Page IconTo Previous Page
Loading...
7-2T -296
Figure 7-2 SCHEMATIC DIAGRAM -- Units with PID numbers: NT0435, NT0566 and NT0669
Downloaded from ManualsNet.com search engine

Table of Contents

Related product manuals