EasyManua.ls Logo

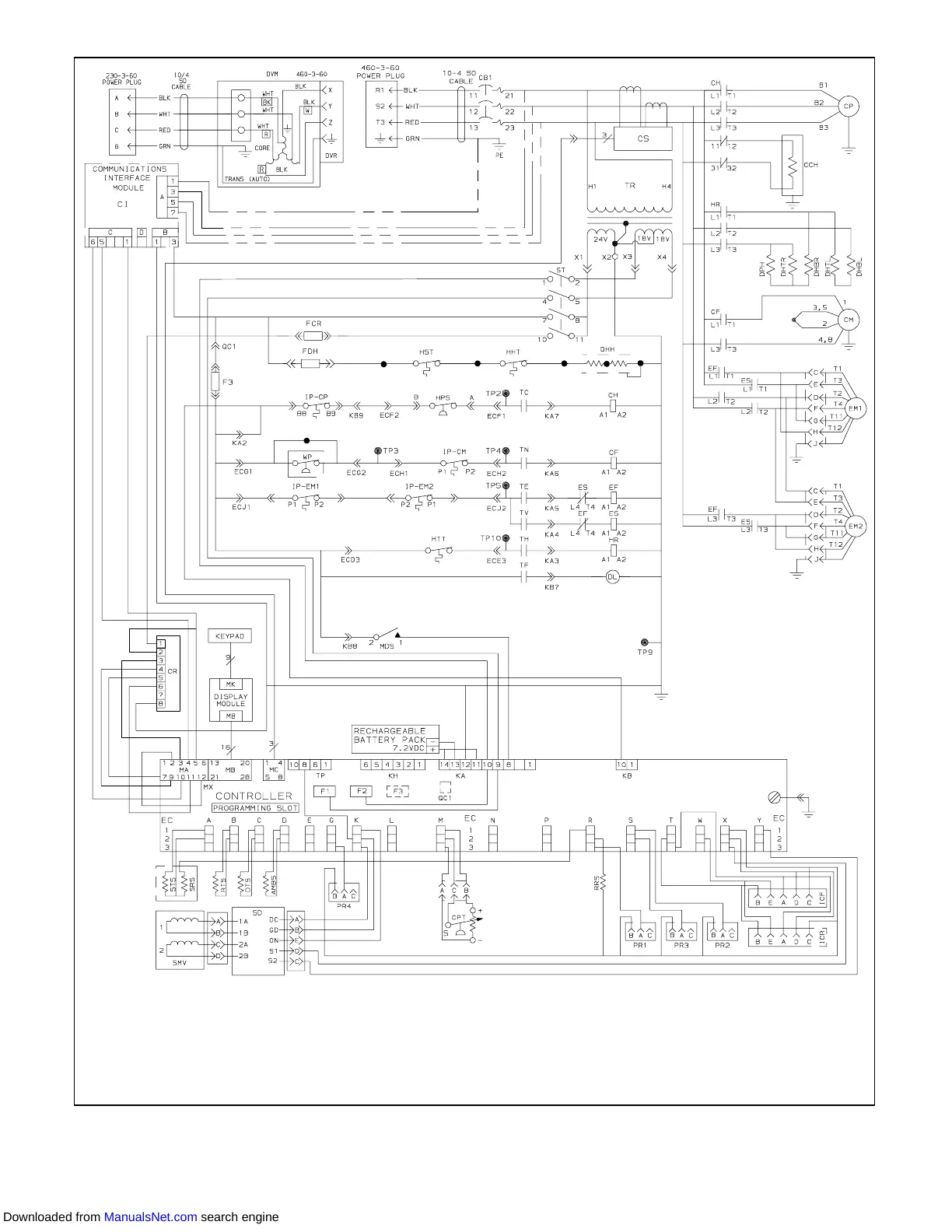
Carrier 69NT40-511-310 - Figure 7-4 SCHEMATIC DIAGRAM - Units with PID Number 0712

Carrier 69NT40-511-310
116 pages
Print Icon
To Next Page IconTo Next Page
To Next Page IconTo Next Page
To Previous Page IconTo Previous Page
To Previous Page IconTo Previous Page
Loading...
7-5 T -296
Figure 7-4 SCHEMATIC DIAGRAM -- Units with PID Number 0712
Downloaded from ManualsNet.com search engine

Table of Contents

Related product manuals