EasyManua.ls Logo

Carrier 69NT40-511-310 - Page 112

Carrier 69NT40-511-310
116 pages
Print Icon
To Next Page IconTo Next Page
To Next Page IconTo Next Page
To Previous Page IconTo Previous Page
To Previous Page IconTo Previous Page
Loading...
7-8T -296
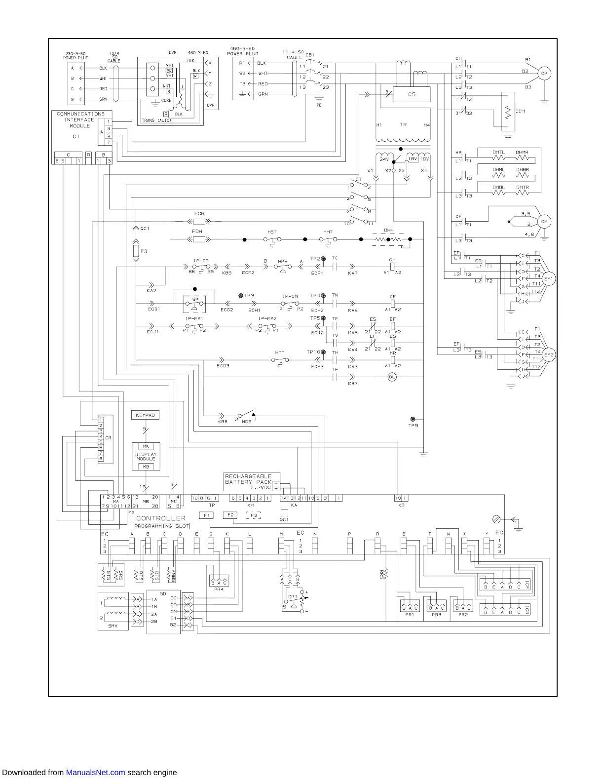
Figure 7-6 SCHEMATIC -- Units with PID Number 0881
Downloaded from ManualsNet.com search engine

Table of Contents

Related product manuals