EasyManua.ls Logo

Comtech EF Data UT-4500 Series - RF Signal Conversion; Figure 1-3. Typical Functional Block Diagram (UT-4512 Shown)

Comtech EF Data UT-4500 Series
208 pages
Print Icon
To Next Page IconTo Next Page
To Next Page IconTo Next Page
To Previous Page IconTo Previous Page
To Previous Page IconTo Previous Page
Loading...
UT-4500 Series C- and Ku-Band Up Converters MN/UT4500.IOM
Introduction Revision 3
1–4
BU also uses the HSB to monitor configuration changes made to the online
converters by either remote control or front panel command inputs.
The BU performs fault detection, self-reconfiguration, and logical switching
functions. If the BU has a fault, it is prevented from performing the protection-
switching task. If the BU does not have a fault, it assumes the frequency and
attenuation of the faulted online converter, and compensates for the chain
losses.
Changes in frequency, attenuation or polarity are entered into the backup table
as they are made, as well as information from new online units. The HSB does
not interfere with the remote control communications link for access to any of
the converters in the "Daisy Chain".
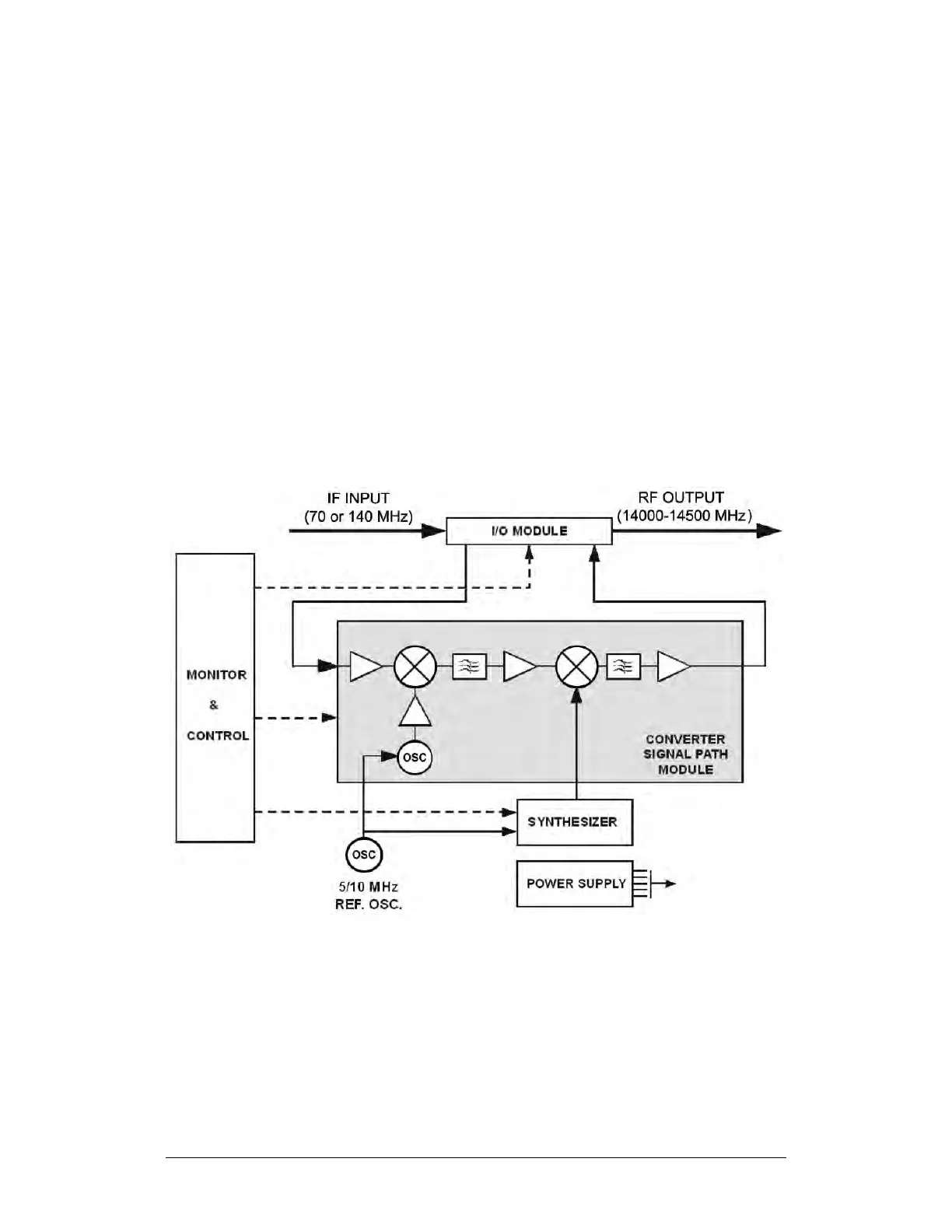
1.2.2 RF Signal Conversion
Figure 1-3. Typical Functional Block Diagram (UT-4512 shown)
Figure 1-3 depicts the operational schematic for a typical UT-4500 Up Converter
in single thread (standalone) applications. See Appendix A. REDUNDANT SYSTEM

Table of Contents

Related product manuals