EasyManua.ls Logo

Coolmay C600S - Page 25

Coolmay C600S
118 pages
Print Icon
To Next Page IconTo Next Page
To Next Page IconTo Next Page
To Previous Page IconTo Previous Page
To Previous Page IconTo Previous Page
Loading...
Chapter 4 Drive System Wiring And Introduction
19
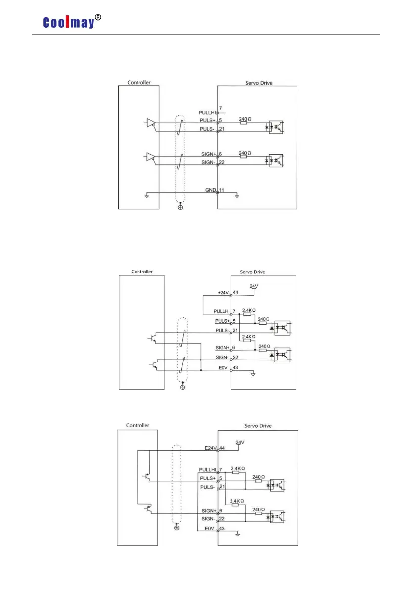
Input Circuit Of Pulse Instruction Diagram
1 When it is differential mode:
2When it is collector open mode:
A For internal 24V power sources:
Common Anode Connection, for example: Mitsubishi PLC.
Common Cathode Connection, for example: Siemens PLC.

Table of Contents

Related product manuals