EasyManua.ls Logo

Coolmay C600S - CN1 Encoder Signal Terminal; CN1 Terminal Introduction

Coolmay C600S
118 pages
Print Icon
To Next Page IconTo Next Page
To Next Page IconTo Next Page
To Previous Page IconTo Previous Page
To Previous Page IconTo Previous Page
Loading...
Chapter 4 Drive System Wiring And Introduction
27
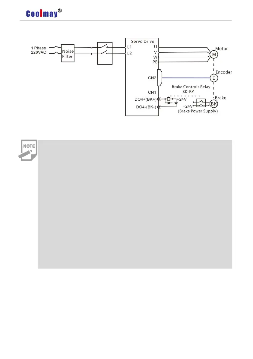
Pic 4.6 Brake Signal Connection
4.5 CN1 Encoder Signal Terminal
4.5.1 CN1 Terminal Introduction
Connection diagram between CN1 encoder signal terminal and motor encoder. A 6 pins
plug is used. The pin chart as followings:
The brake mechanism built into the servo motor is a fixed special mechanism
of non-electric action type, which can not be used for braking purposes. Only when
the servo motor is kept in a stop state can it work.
The brake coil has no polarity.
After the servo motor stops, the servo signal (Servo On) should be cut off.
When the motor with the built-in brake is running, the brake may make a
“click” sound, which has no effect on its function.
When the brake coil is electrified (open state of the brake), flux leakage may occur
at the shaft end and other parts. Therefore the nearby devices might be interfered..
It is forbidden to share the power supply with other electrical appliances,
which is to prevent the voltage or current from decreasing resulting to the wrong
work due to other electrical appliances.
Above 0.5 mm² cable is recommended.

Table of Contents

Related product manuals