EasyManua.ls Logo

Coolmay C600S - Torque Mode Wiring

Coolmay C600S
118 pages
Print Icon
To Next Page IconTo Next Page
To Next Page IconTo Next Page
To Previous Page IconTo Previous Page
To Previous Page IconTo Previous Page
Loading...
Chapter 5 Running Mode And Controlling Wiring
44
whether the rotation direction and electronic gear ratio are normal, then make the gain
adjustment.
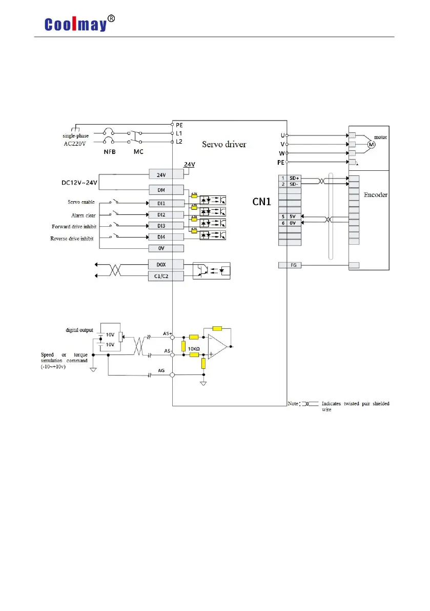
5.3.2 Torque Mode Wiring
Pic5.6 Torque Mode Wiring

Table of Contents

Related product manuals