EasyManua.ls Logo

Coolmay C600S - Speed Mode Wiring

Coolmay C600S
118 pages
Print Icon
To Next Page IconTo Next Page
To Next Page IconTo Next Page
To Previous Page IconTo Previous Page
To Previous Page IconTo Previous Page
Loading...
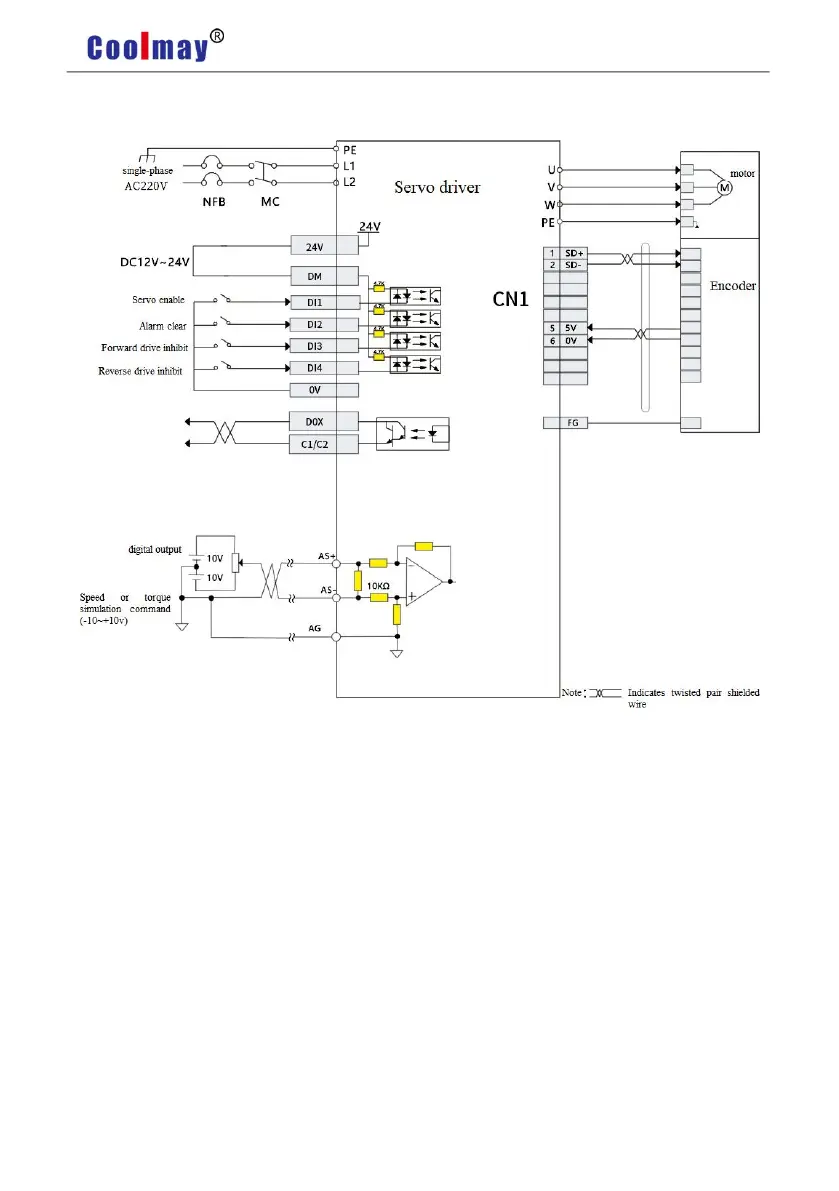
Chapter 5 Running Mode And Controlling Wiring
41
5.2.2 Speed Mode Wiring
Pic5.4 Speed Mode Wiring

Table of Contents

Related product manuals