EasyManua.ls Logo

Coolmay C600S - Motor Brake Connection

Coolmay C600S
118 pages
Print Icon
To Next Page IconTo Next Page
To Next Page IconTo Next Page
To Previous Page IconTo Previous Page
To Previous Page IconTo Previous Page
Loading...
Chapter 4 Drive System Wiring And Introduction
26
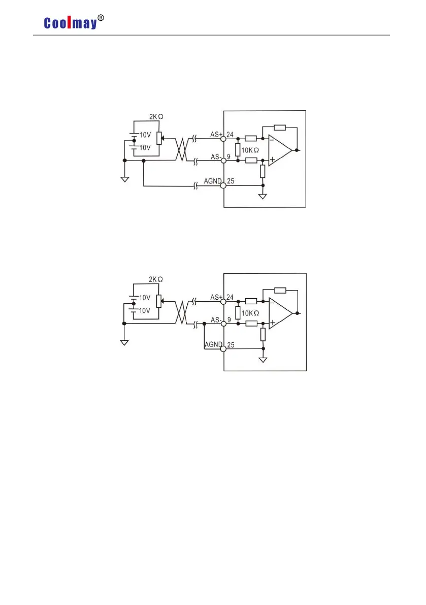
of zero bias in the analog input is normal and can be compensated by parameters.
1 When it is analog differential input:
2When it is analog single-end input:
4.4.6 Motor Brake Connection
The brake lock is the mechanism that prevents the servo motor shaft from moving when
the servo drive is in non-enabled state, so that the motor keeps the position locked and the
moving part of the machinery will not move because of itself or external force.
Brake Signal Circuit Diagram
The brake connection of the input signal without polarity, but it needs users to prepare a
24V power supply. An example of the standard connection between the brake signal BK and the
24V power supply is shown below:
Servo Drive
Servo Drive

Table of Contents

Related product manuals