EasyManua.ls Logo

Copystar CS-2030 - Page 272

Copystar CS-2030
512 pages
Print Icon
To Next Page IconTo Next Page
To Next Page IconTo Next Page
To Previous Page IconTo Previous Page
To Previous Page IconTo Previous Page
Loading...
2AV/X
2-3-6
2-3
20 cpm copier
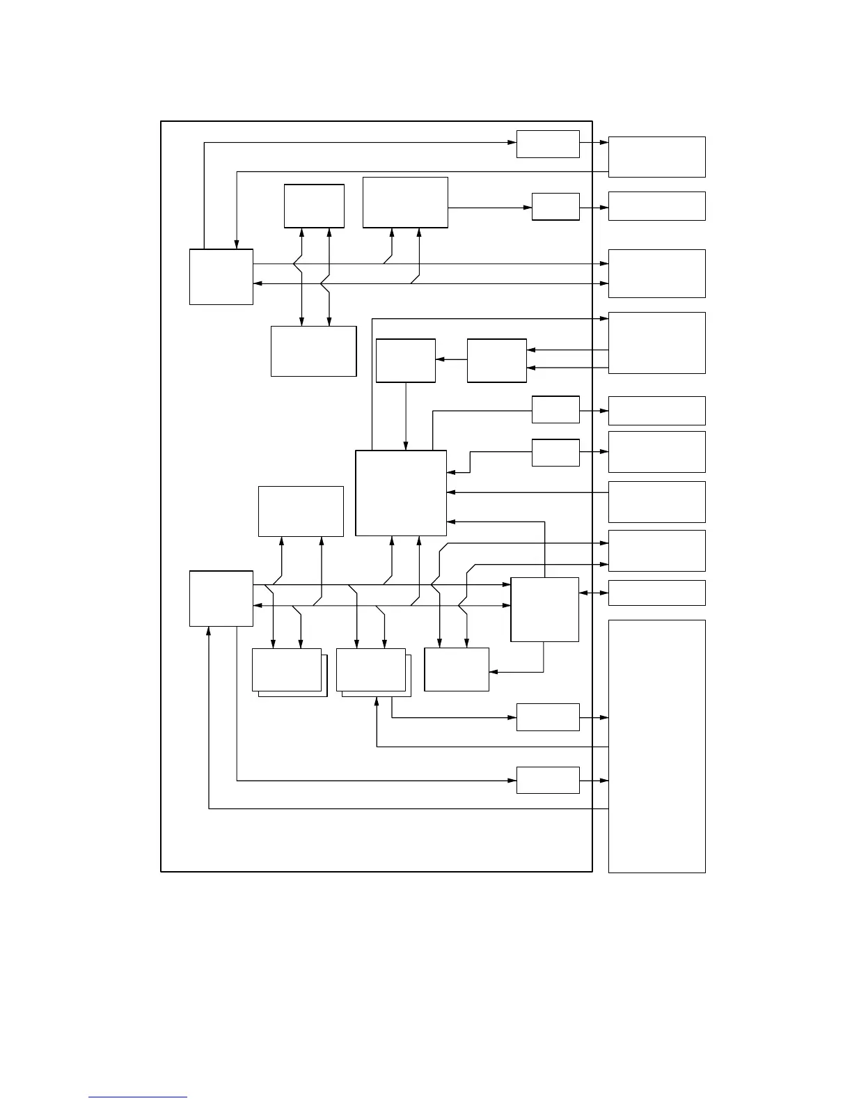
Operation unit PCB
Driver
Scan signal
Detection signal input
LCD display data
Address bus
Data bus
Address bus
Data bus
Control signal output
Detection signal input
Control signal output
Detection signal input
Clock signal
Print data
Fax transmission/
reception data
Printer data
Memory image data
Analog image data
Odd
Even
BUF
BUF
BUF
Driver
Driver
LCD controller
IC12
SRAM
IC19
ADC
IC6
MIP
IC15
MCP
IC22
S/H
IC
FEEPROM
IC16
FEEPROM
IC28
SRAM
IC39,40
XIO
IC42,43
CODEC
IC46
Main CPU
IC23
Operation
unit CPU
IC10
LCD
Flash tool
CCD PCB
LSU
Fax unit*
Printer controller*
Scanner PCB*
DIMM
STDF*
SRDF*
Finisher*
Duplex unit*
Job separator*
Optional drawer*
Drive unit
Scanner unit
Developing unit
Paper feed unit
Fixing unit
High-voltage
transformer PCB
Main PCB
* Optional.
Figure 2-3-5 Main PCB block diagram (20 cpm copier)

Table of Contents