EasyManua.ls Logo

Copystar CS-2030 - Paper Misfeed Detection; Paper Misfeed Indication

Copystar CS-2030
512 pages
Print Icon
To Next Page IconTo Next Page
To Next Page IconTo Next Page
To Previous Page IconTo Previous Page
To Previous Page IconTo Previous Page
Loading...
3BN/3A4
1-3-1
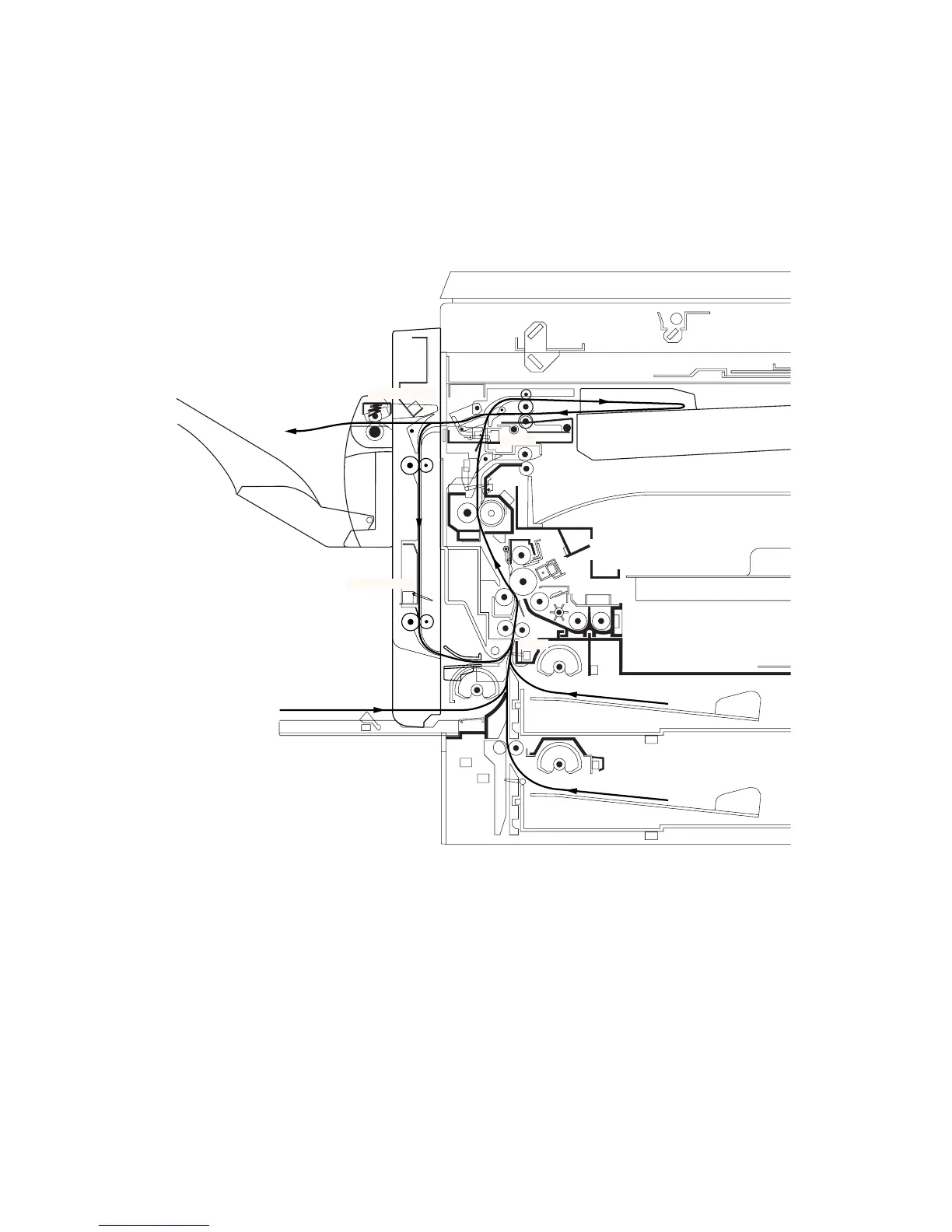
1-3-1 Paper misfeed detection
(1) Paper misfeed indication
When paper jams, the machine immediately stops operation and the occurrence of a paper jam is indicated on the copier
operation panel.
To remove the jammed paper, lower the intermediate tray or open the duplex unit.
To reset the paper misfeed detection, detach and refit the intermediate tray to turn the tray open/close switch off and on or
open and close the duplex unit to turn the duplex open/close switch off and on.
DUPPCSW1
DUPPCSW2
RSW
PCSW
Figure 1-3-1 Paper misfeed detection

Table of Contents

Related product manuals