EasyManua.ls Logo

Copystar CS-2030 - Unpacking

Copystar CS-2030
512 pages
Print Icon
To Next Page IconTo Next Page
To Next Page IconTo Next Page
To Previous Page IconTo Previous Page
To Previous Page IconTo Previous Page
Loading...
3BN/3A4
1-2-1
1-2-1 Unpacking
2
%
¤
^
1
3
*
(
Œ
6
0
!
4
°
5
9
7
·
$
#
@
8
&
)
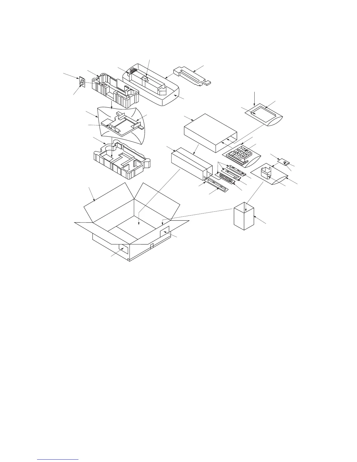
Figure 1-2-1 Unpacking (finisher)
1 Intermediate tray unit
2 Feedshift unit
3 Eject unit
4 Eject tray unit
5 Stapler cover
6 Staple cartridge
7 Upper paper conveying cover F
8 Upper eject cover F
9 Upper eject cover D
0 Two (2) cross-head bronze binding screws BVM3 × 05
! Two (2) cross-head chrome TP-A screws M3 × 05
@ Installation manual
# Instruction handbook
$ Plastic bag
% Unit spacer
^ Cursor spacer
& Outer case
* Eject tray spacer
( Spacer B
) Spacer C
Intermediate tray pad
¤ Stapler pad
Cover pad
Bar-code labels
Plastic sheet
Product cover
Air-padded bag
Plastic bag
· Air-padded bag
Plastic bag
Œ Plastic bag
Plastic bag

Table of Contents

Related product manuals