EasyManua.ls Logo

Corghi Artiglio Master Code - Page 133

Corghi Artiglio Master Code
136 pages
Print Icon
To Next Page IconTo Next Page
To Next Page IconTo Next Page
To Previous Page IconTo Previous Page
To Previous Page IconTo Previous Page
Loading...
Artiglio Master Code User Manual 133
UK
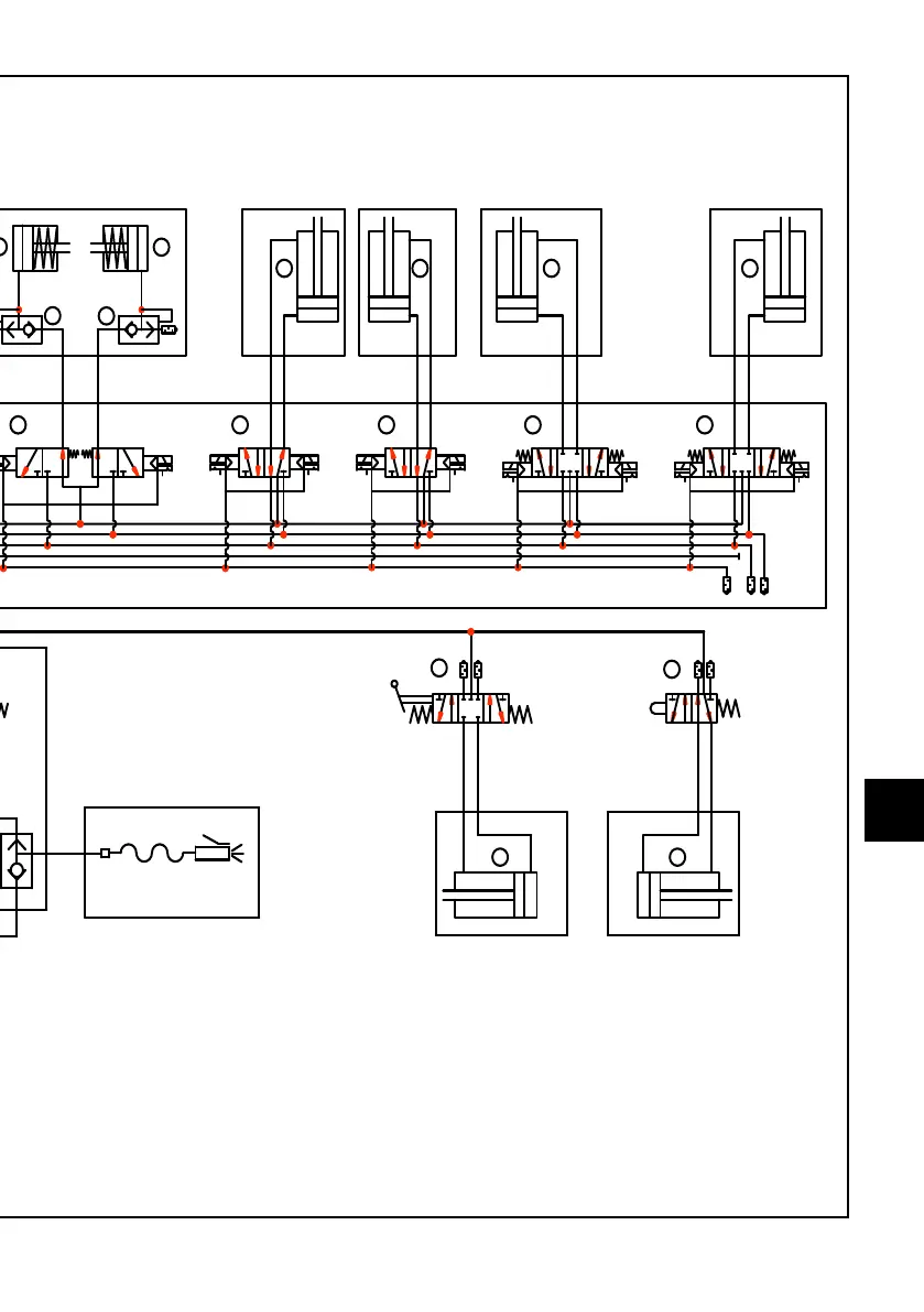
P max = 16 BAR
nero Ø8x1
1
2
3
5
P
4
T
nero Ø8x1
T
P
A
A
P
T
A
6
nero Ø8x1
A
nero Ø8x1
P
T
7
8
A
A
P
T
11
10
T
P
A
12
INFLATRON
9
OPTIONAL
12/14
82/84
5
3
1
14
2
3
4
5
1
12
14
2
3
4
5
1
12
4
5
14
12
3
1
2
4
5
14
12
3
1
2
14
2
4
1
5
3
12
14
4
5
2
3
1
12
VC8VC6
14
1
5
4
3
2
12
14
4
5
1
12
2
3
VC6
14
4
5
1
12
2
3
VC6 VC8VB6 VB6VF6VD6
12/14
82/84
5
3
1
13
13.1
13.2 13.3 13.4 13.5 13.6 13.7 13.8 13.9
nero Ø12x1
Nero Ø6x1
Nero Ø6x1
B
14 15
Nero Ø6x1
Nero Ø6x1
16
Nero Ø6x1
Nero Ø6x1
C
17
18
Nero Ø6x1
Nero Ø6x1
19
D
20
Nero Ø6x1
Nero Ø6x1
E
21
23
22
Nero Ø4x1
Nero Ø4x1
F
24
Nero Ø6x1
Nero Ø6x1
G
25
Nero Ø8x1
Nero Ø8x1
H
26
Nero Ø8x1
Nero Ø8x1
27
I
nero Ø6x1
nero Ø8x1
4-114005A
DOYFE
1
5
4
2
3
29
L
28
5
4
3
2
1
M
30
31
nero Ø6x1
nero Ø6x1
nero Ø6x1
nero Ø6x1
nero Ø6x1

Table of Contents

Related product manuals