EasyManua.ls Logo

DAF 95XF - Page 151

DAF 95XF
188 pages
Print Icon
To Next Page IconTo Next Page
To Next Page IconTo Next Page
To Previous Page IconTo Previous Page
To Previous Page IconTo Previous Page
Loading...
95XF series Removal and installation
EXPLANATORY NOTES ON THE MAINTENANCE ACTIVITIES
4-31
10
11
14
15
13
1
2
12
3
4
5
6
7
8
9
A800267
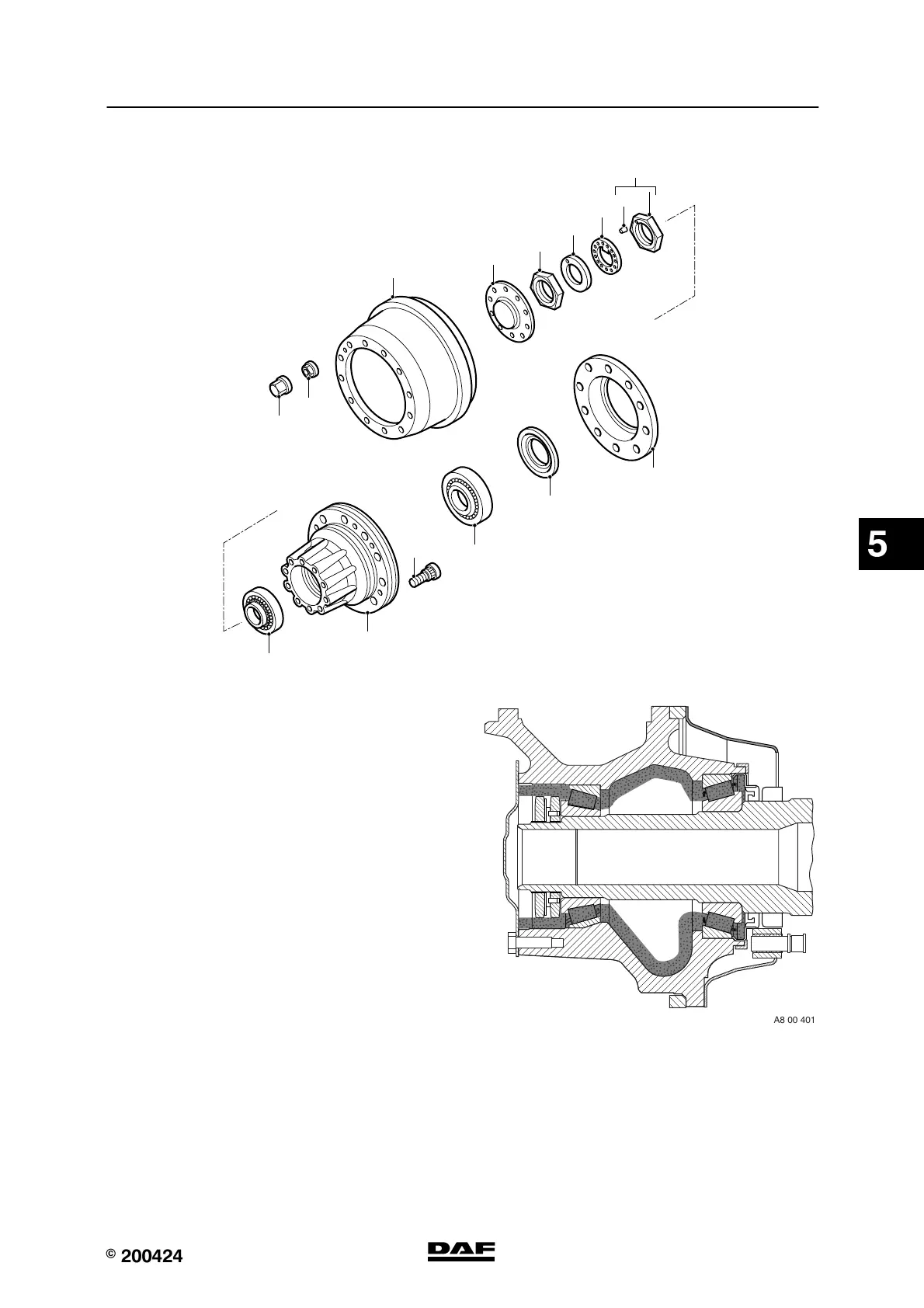
Installing the wheel hub
1. Check the hub and the wheel bearings for
wear and damage. See chapter “Inspection
and adjustment”.
2. Fit new wheel bearings into the hub, if
necessary.
3. Blow-dry the wheel bearings (10) and (13)
using c ompressed air.
4. Fill the wheel bearings with the specified
wheel bearing grease.
Also apply a layer of grease to the wheel
bearing c ircumference.
;;;;;;;;
;;;;;;;;
;;;;;;;;
;;;;;;;;
;;
;;
;;
;;
;;
;;
;
;
;
;;
;;
;;
;;
;;
;;;;;;;;;;
;;;;;;;;;;
;
;
;
;
;
;
;
;
;
;
;
;
;
;
;
;
;
;
;
;;
;;
;;
;;
;;
;
;
;
;
;;
;;
;;
;;
;;
;;
;;
;;;;;;;;;;
;;;;;;;;;;
;;
;;
;;
;;
;;
;;
;;
;;
;;
;;
;
;
;
;
;
;
;;;;;;;
;;;;;;;
;;;;;;;
;;;;;;;
;;
;;
;;;
;;;
;;;;;;;;
;;;;;;;;
;;;;;;;;
;;;;;;;;
;;;;;;;;
A8 00 401
5
200424

Table of Contents

Related product manuals