EasyManua.ls Logo

Dobot CR3 - I;O Circuitry and Specifications

Dobot CR3
85 pages
Print Icon
To Next Page IconTo Next Page
To Next Page IconTo Next Page
To Previous Page IconTo Previous Page
To Previous Page IconTo Previous Page
Loading...
Dobot CR Series User Guide
Issue V1.1 (2023-04-27) User Guide Copyright © Yuejiang Technology Co., Ltd.
76
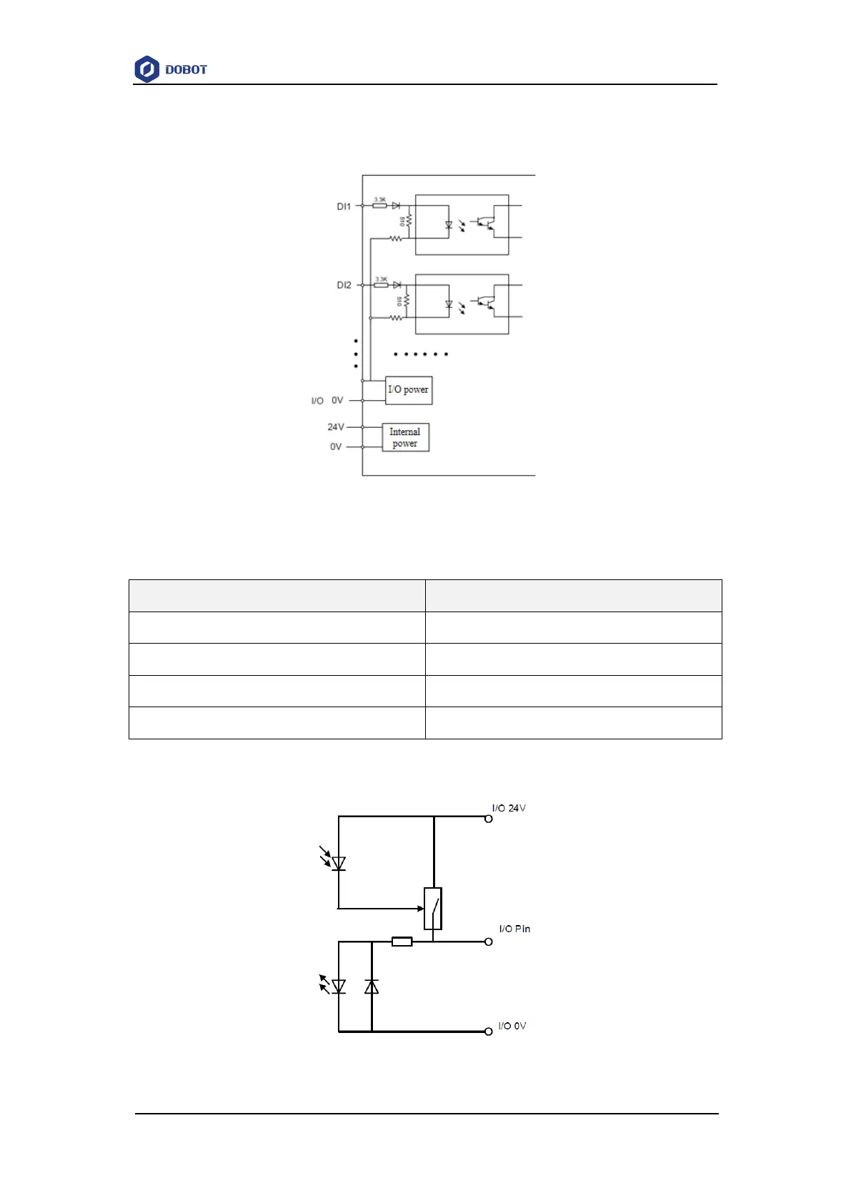
Appendix C I/O simple circuit and specifications
Digital input
Figure C.1 Digital input simple internal circuit
Table C.1 Digital input technical specifications
Item
Specification
Input channel
16 channels
Connection method
Tube type pre-insulated terminal E0510
Input type
Optical coupling isolation input
Input voltage (DC)
24V±10%
Multiplexed digital input/output interface
Figure C.2 Multiplexed digital input/output simple circuit

Table of Contents

Other manuals for Dobot CR3

Related product manuals