EasyManua.ls Logo

Doosan DISD SD 310 - General Description; Work Principle

Doosan DISD SD 310
696 pages
Print Icon
To Next Page IconTo Next Page
To Next Page IconTo Next Page
To Previous Page IconTo Previous Page
To Previous Page IconTo Previous Page
Loading...
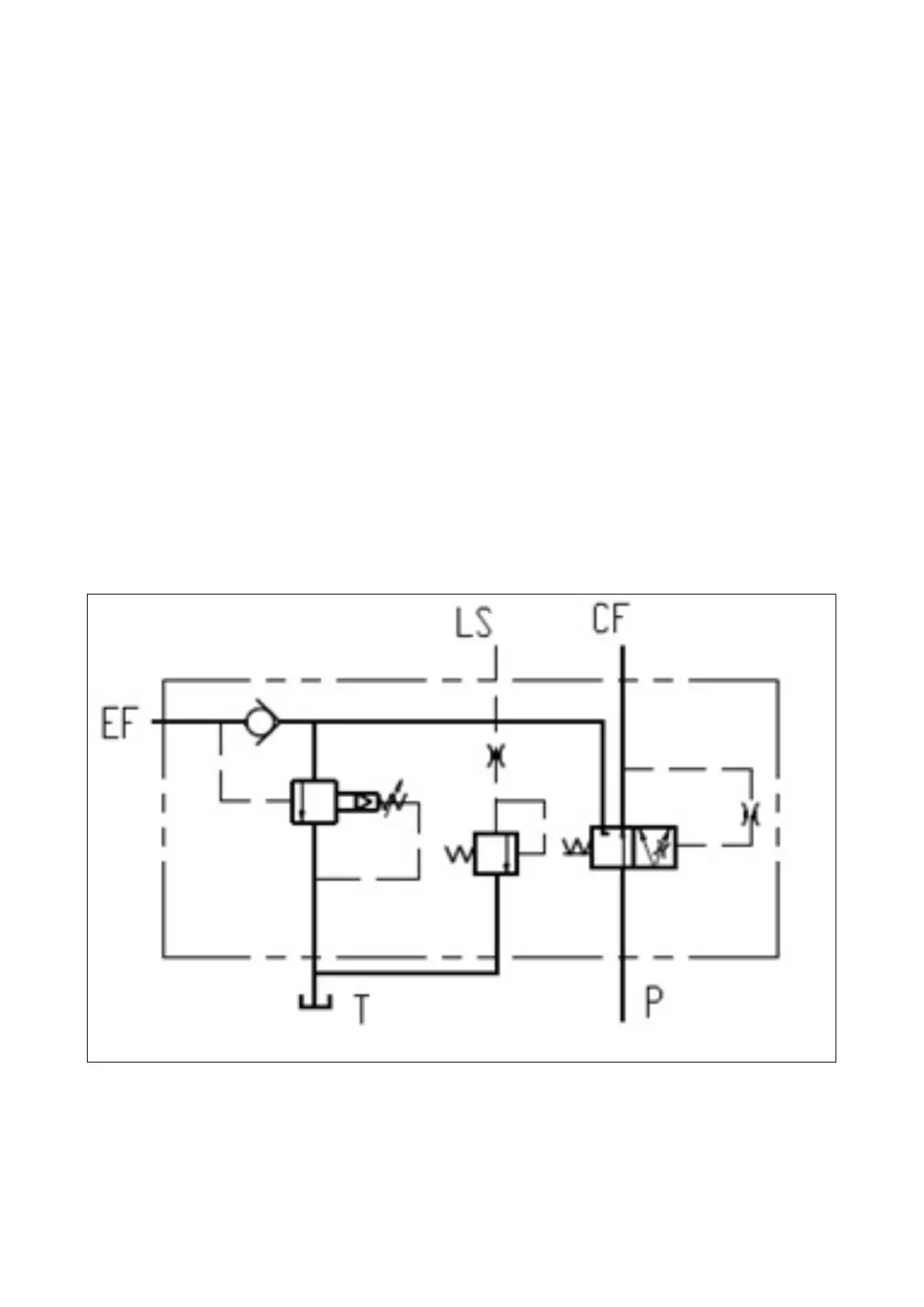
General Description
Work principle
YSF25 steering control valve is control valve parts of steering system, its premise is to guarantee oil
supplying to steering system preferentially, when the loader is working under high pressure and small
flowrate, the extra oil of steering system can discharge load automatically under lower pressure. Load
discharging pressure can be regulated by relief valve according to working conditions, this makes up the
shortage of priority valve, reduces power consumption and reduce temperature rising of the system.
The valve is installed at steering oilway, it is between steering pump and load sensing hydraulic steering
gear. P mouth is oil inlet which is connected with steering pump. CF mouth is the steering mouth connected
with oil inlet of steering gear, EF mouth is the work mouth connected with multiway valve, LS mouth is
control mouth connected with load sensing mouth of steering gear, T is load discharging mouth connected
with oil tank.
When the load does lifting work, oil from steering pump goes through P mouth and a hole and reaches
right side of priority valve spool, it will overcome control pressure of priority valve spring with the effect of
pressure oil, pushes priority spool moving to the left, oil from steering pump opens check valve and goes to
work system through EF mouth to satisfy big flow rate requirements of the loader. When the loader is under
high pressure and small flowrate, high pressure oil of EF mouth will make load discharging relief valve I start,
control oil goes to the left side of load discharging spool through oilway, reaches T mouth through c small
hole, the pressure difference makes load discharging spool overcome spring force of relief valve and move
to the right, oil from P mouth will go to load discharge mouth T and discharge load directly.
Figure1
Priority Valve SPC000016
Page 3

Table of Contents

Related product manuals