EasyManua.ls Logo

Doosan DISD SD 310 - Ac System Circuit Diagram

Doosan DISD SD 310
696 pages
Print Icon
To Next Page IconTo Next Page
To Next Page IconTo Next Page
To Previous Page IconTo Previous Page
To Previous Page IconTo Previous Page
Loading...
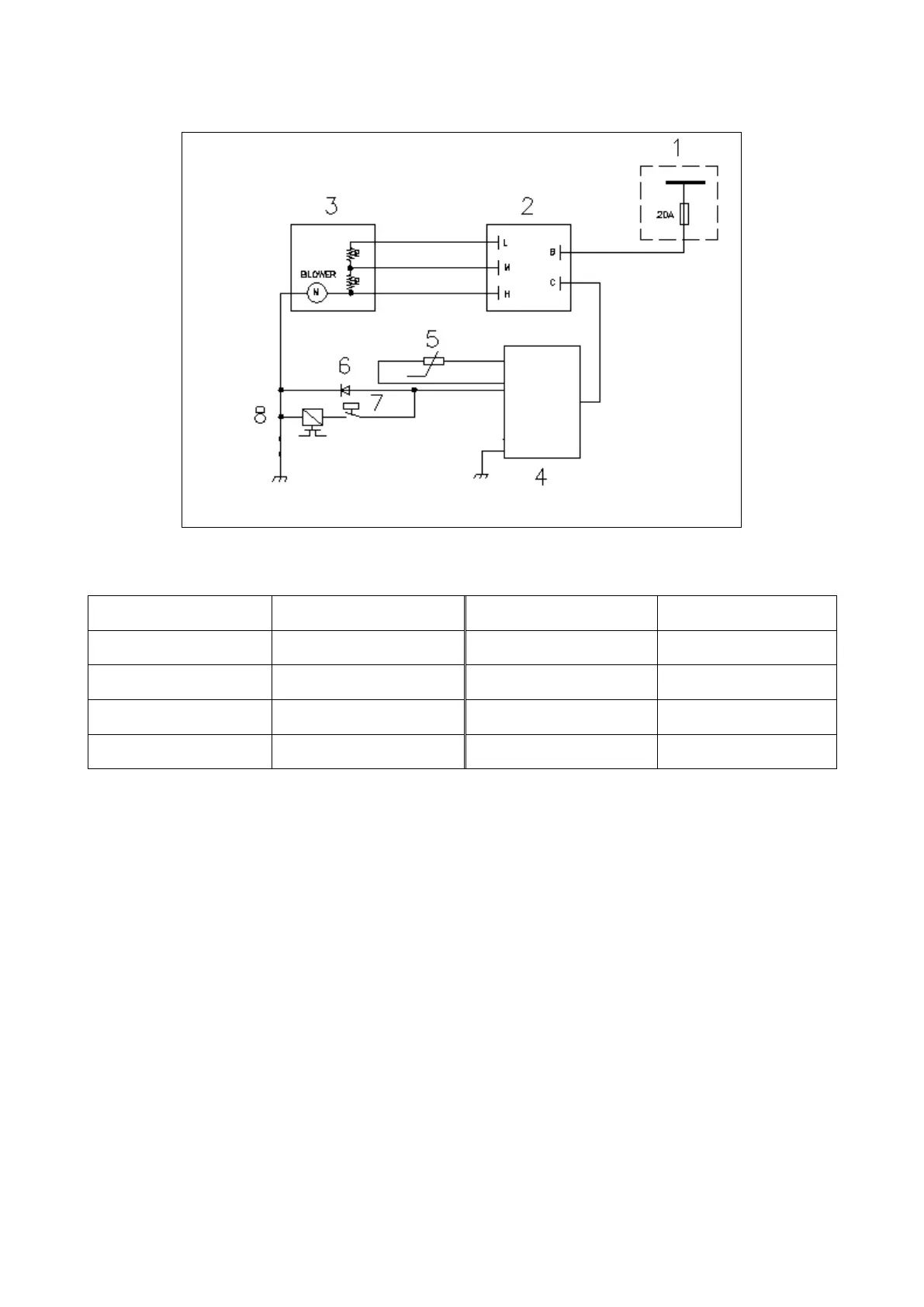
AC system circuit diagram
Reference Number
Description
Reference Number
Description
1
Fuse Box
5
Temperature Sensor
2
Blower Switch
6
LED
3
Blower
7
Press. Cut Off Switch
4
Thermistor
8
Compressor
Air Conditioner SPC000024
Page 7
Figure 4. AC system circuit diagram

Table of Contents

Related product manuals