EasyManua.ls Logo

Doosan DISD SD 310 - Page 623

Doosan DISD SD 310
696 pages
Print Icon
To Next Page IconTo Next Page
To Next Page IconTo Next Page
To Previous Page IconTo Previous Page
To Previous Page IconTo Previous Page
Loading...
GENERAL DESCRIPTION
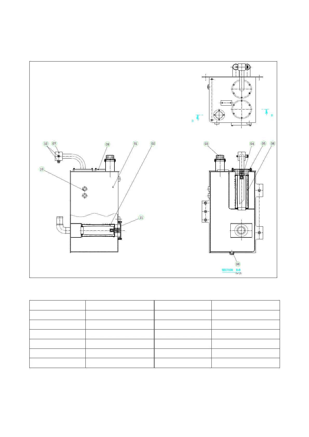
PARTS LIST
Reference Number
Description
Reference Number
Description
01
Oil Tank
07
Return pipe
02
Filter
08
Drain Plug
03
Filter
09
Cover
04
Spring
10
Level Gauge
05
O-ring
11
Flange
06
Return Filter
12
Adapter
Hydraulic Oil Tank SPC000019
Page 3
Figure 1

Table of Contents

Related product manuals