EasyManua.ls Logo

Doosan DISD SD 310 - Page 667

Doosan DISD SD 310
696 pages
Print Icon
To Next Page IconTo Next Page
To Next Page IconTo Next Page
To Previous Page IconTo Previous Page
To Previous Page IconTo Previous Page
Loading...
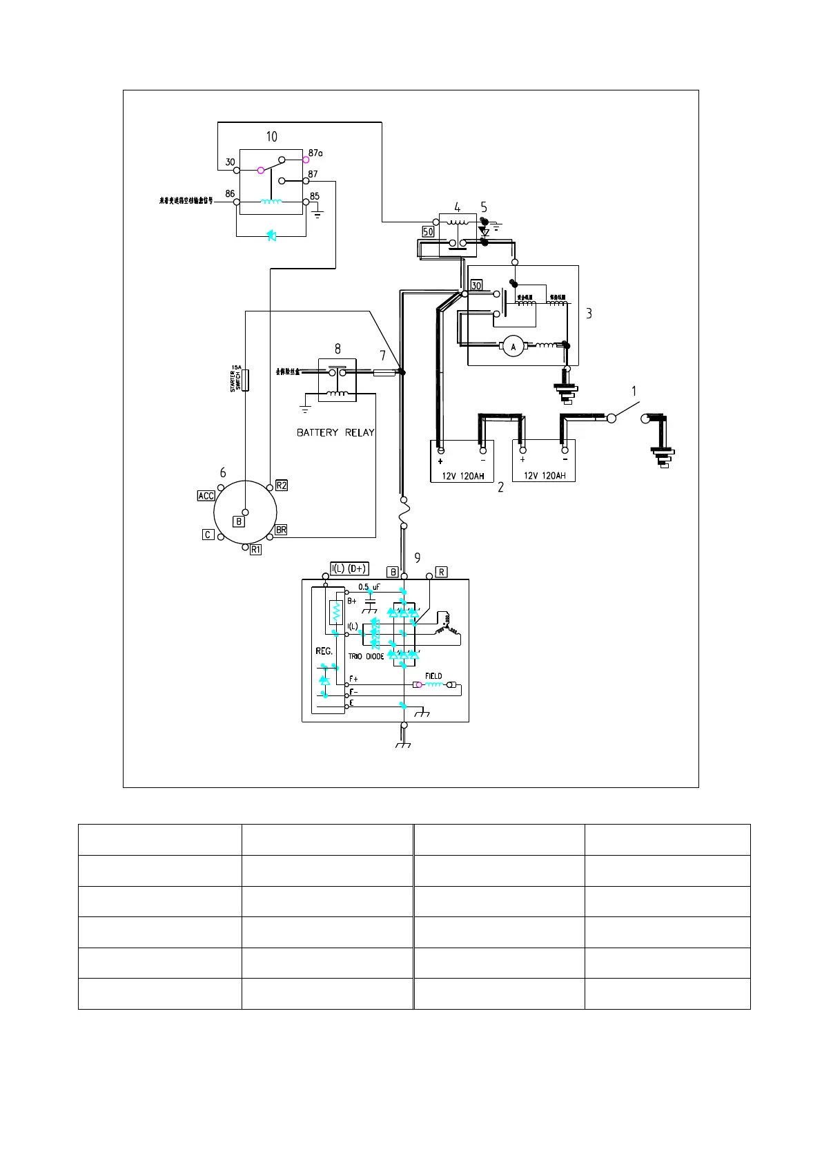
Reference Number
Description
Reference Number
Description
1
Disconnect Switch
6
Starter Switch
2
Battery
7
Fuse
3
Starter
8
Battery Relay
4
Starter Relay
9
Alternator
5
Diode
10
Saftey Start Relay
Electrical System SPC000025
Page 7
Figure 2. Starter circuit

Table of Contents

Related product manuals