EasyManua.ls Logo

Doosan DISD SD 310 - Page 671

Doosan DISD SD 310
696 pages
Print Icon
To Next Page IconTo Next Page
To Next Page IconTo Next Page
To Previous Page IconTo Previous Page
To Previous Page IconTo Previous Page
Loading...
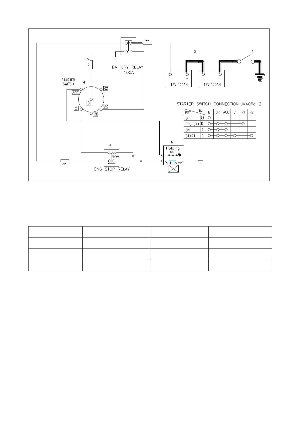
Reference Number
Description
Reference Number
Description
1
Disconnect Switch
4
Starter Switch
2
Battery
5
Engine Stop Relay
3
Fuse
6
Engine Stop Motor
Electrical System SPC000025
Page 11
Figure 4. Engine stalling system

Table of Contents

Related product manuals