EasyManua.ls Logo

Doosan DISD SD 310 - Page 688

Doosan DISD SD 310
696 pages
Print Icon
To Next Page IconTo Next Page
To Next Page IconTo Next Page
To Previous Page IconTo Previous Page
To Previous Page IconTo Previous Page
Loading...
Reference Number
Description
Reference Number
Description
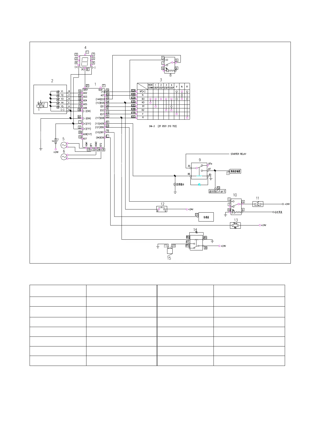
1
CONTROLLER
8
AUTO/MANU SW
2
VALVE ASS'Y
9
SAFETY START RELAY
3
T/M SELECTOR SWITCH
10
T/M CUT OFF SW
4
DIAGNOSE
11
BRAKE AIR PRESS SW
5
SENSOR
12
DOWN SHIFT SW (KD)
6
SENSOR
13
PARK PRESS SW
7
FUSE
14
BACK BUZZER RELAY
SPC000025 Electrical System
Page 28
Figure 11. Variable speed control system

Table of Contents

Related product manuals