EasyManua.ls Logo

Doosan DISD SD 310 - Page 692

Doosan DISD SD 310
696 pages
Print Icon
To Next Page IconTo Next Page
To Next Page IconTo Next Page
To Previous Page IconTo Previous Page
To Previous Page IconTo Previous Page
Loading...
SD310ZF
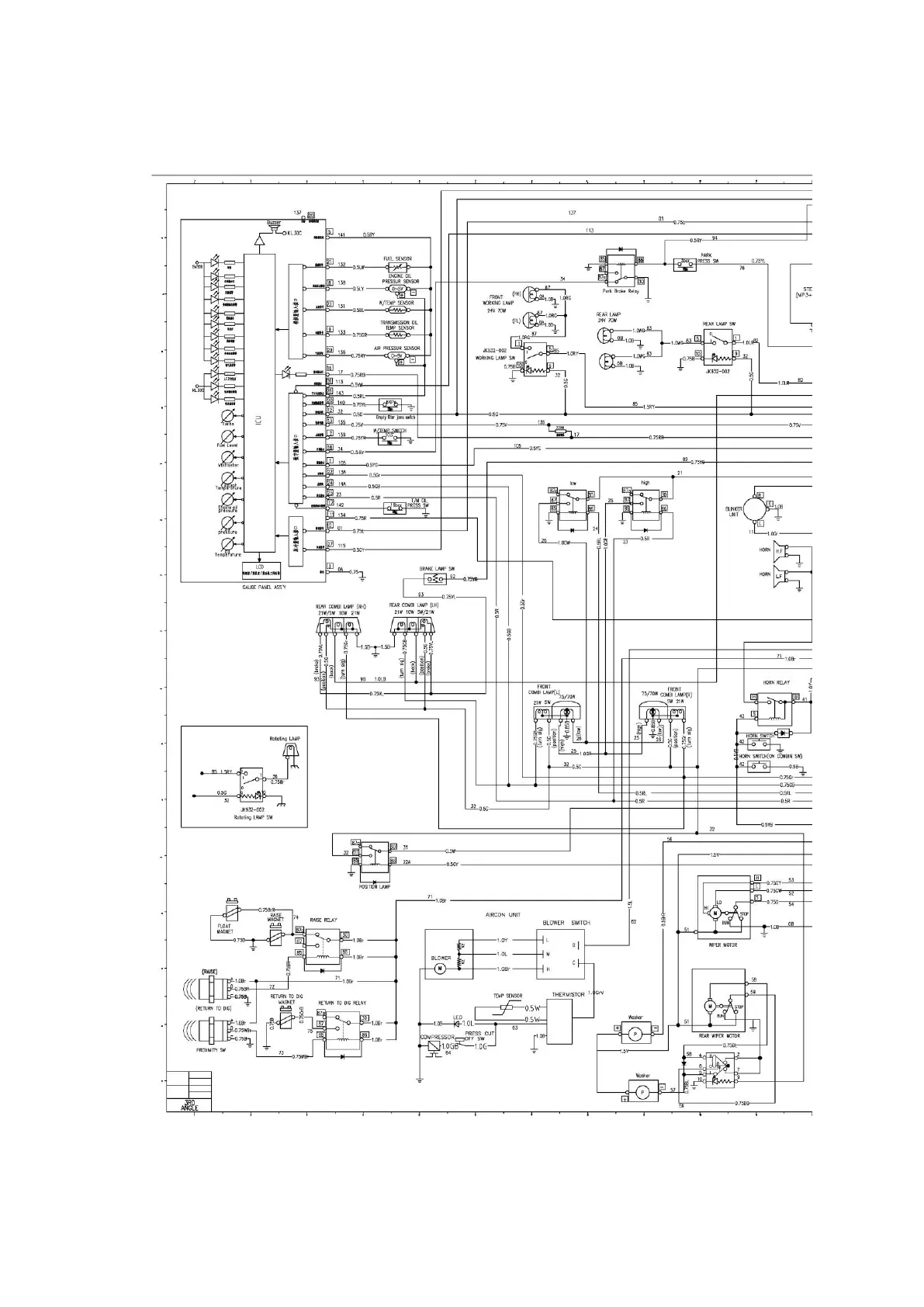
SPC000027 Electrical Schematic (SD310)
Page 4

Table of Contents

Related product manuals