EasyManua.ls Logo

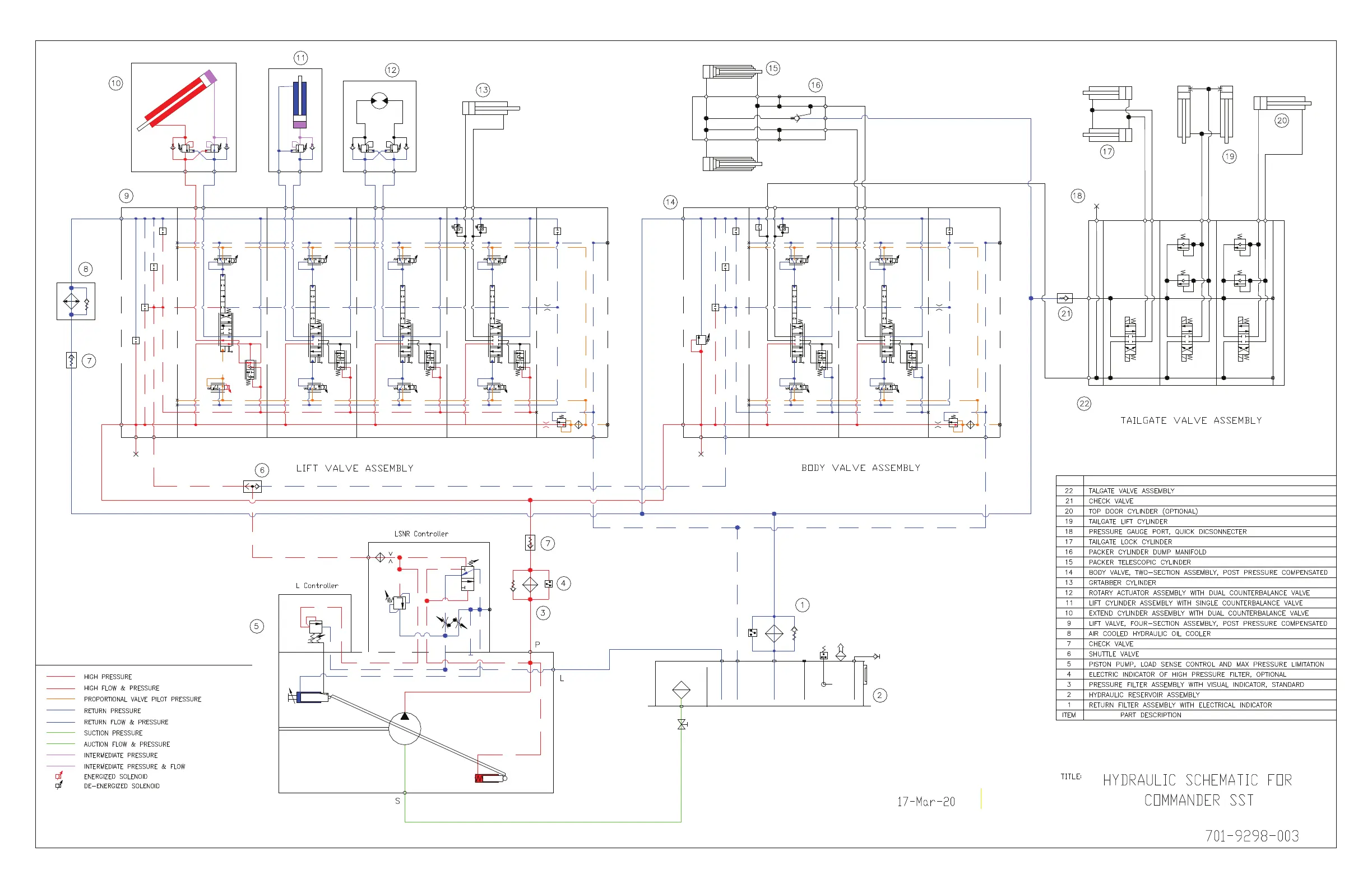
Dover HEIL Command-SST - Hydraulic Schematic, Arm in - 701-9298-003

Dover HEIL Command-SST
272 pages
Print Icon
To Next Page IconTo Next Page
To Next Page IconTo Next Page
To Previous Page IconTo Previous Page
To Previous Page IconTo Previous Page
Loading...
1300 psi
(A4 & B4)
1700 psi
R
E
R
E
P1
P2
b1
a2
b2
a3
b3
a4
b4
a1
b1
a2
b2
2500 psi
a1
CB2 CR2
CB1 CR1
T
VA
VAG
VBG
VB
Tailgate Section
Tailgate / Warming
ST
PISTON PUMP
Release / Grab
(OPTION)
ELECTRICAL INDICATOR
PRESSURE FILTER
B1A1 B2A2 B3A3 B4A4
Extend Cylinder
In / Out
Lift Cylinder
Down / Up
Rotary Actuator
Dump / Undump
Grabber Cylinder
Packer Cylinder
Extend / Retract
A2 B2A1 B1
P
T
D1
R
D2
LS
M
PG 2
PG 1
P
T
LS
M
D1
R
D2
T/G LOCK CYL.
2800 psi
LS
P R A A
LS
T/G RAISE CYL.
T/G LOCK CYL.
1300 psi
1300 psi
Tailgate Lock
Lock / Unlock
Tailgate
Raise / Lower
Top Door
Open / Close
A2
B2
T/G RAISE CYL.
A1
B1
P
T
(OPTION)
A3
B3
TOP DOOR CYL.
PG 3
b1
a1
b2
a2
b3
a3
1300 psi
1300 psi
ARM IN

Table of Contents