EasyManua.ls Logo

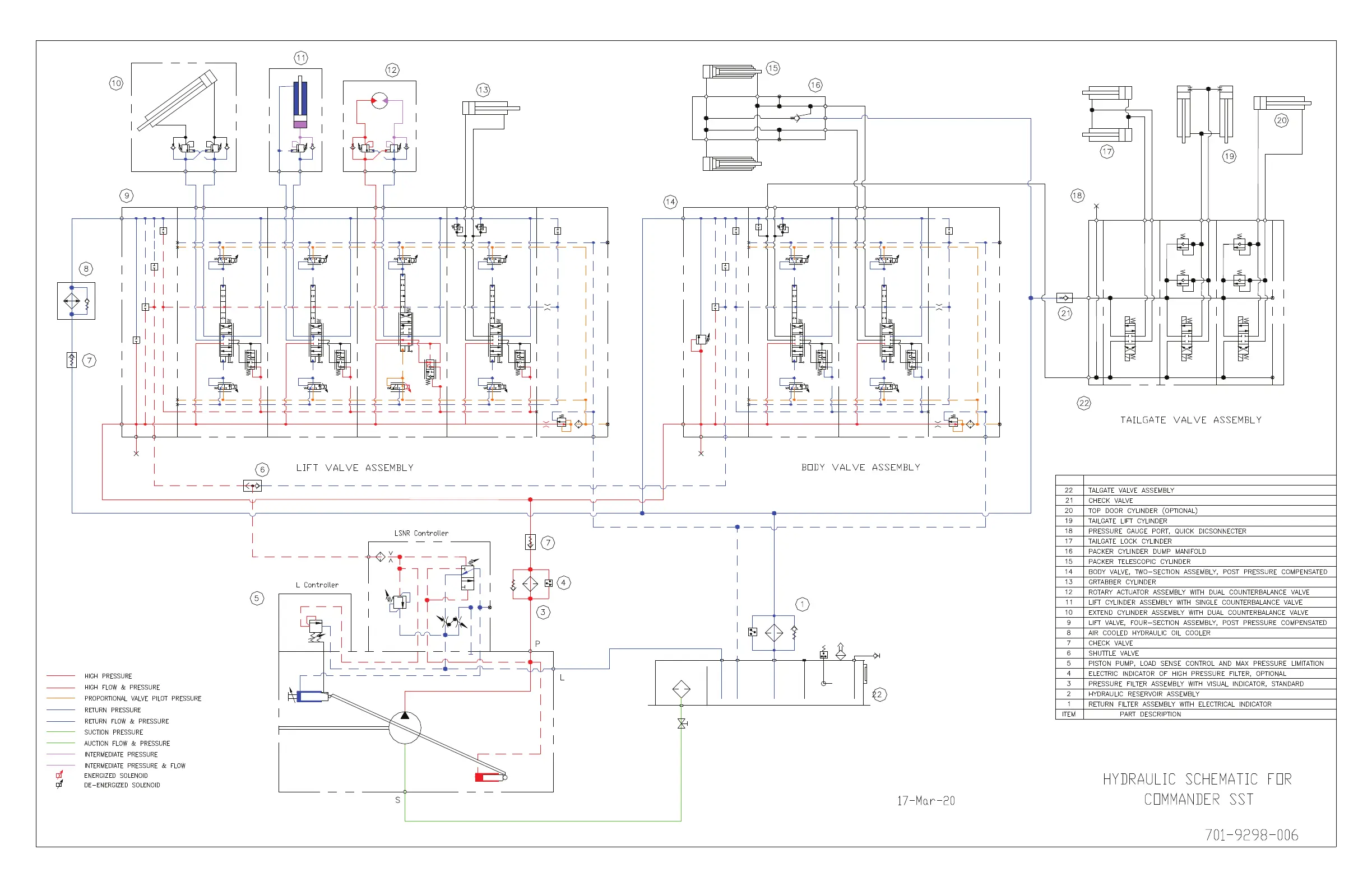
Dover HEIL Command-SST - Hydraulic Schematic, Arm Dump - 701-9298-006

Dover HEIL Command-SST
272 pages
Print Icon
To Next Page IconTo Next Page
To Next Page IconTo Next Page
To Previous Page IconTo Previous Page
To Previous Page IconTo Previous Page
Loading...
1300 psi
1300 psi
Tailgate
Raise / Lower
Top Door
Open / Close
A2
B2
T/G RAISE CYL.
A1
B1
P
T
(OPTION)
A3
B3
TOP DOOR CYL.
PG 3
b1
a1
b2
a2
b3
a3
R
D2
LS
M
PG 2
PG 1
P
T
LS
M
D1
R
D2
2800 psi
LS
P R A A
LS
T/G LOCK CYL.
1300 psi
1300 psi
Tailgate Lock
Lock / Unlock
T/G LOCK CYL.
T/G RAISE CYL.
R
E
P1
P2
a2
b2
a4
b4
a1
b1
a2
b2
2500 psi
1300 psi
(A4 & B4)
1700 psi
R
E
b3
a3
B1A1 B2A2 B3A3 B4A4
Extend Cylinder
In / Out
Lift Cylinder
Down / Up
Rotary Actuator
Dump / Undump
Grabber Cylinder
Packer Cylinder
Extenr / Retract
A2 B2A1 B1
P
T
D1
a1
b1
CB2 CR2
CB1 CR1
T
VA
VAG
VBG
VB
Tailgate Section
Tailgate / Warming
PISTON PUMP
Release / Grab
(OPTION)
ELECTRICAL INDICATOR
PRESSURE FILTER
ST
ARM DUMP

Table of Contents