EasyManua.ls Logo

Ekra E1 - Page 130

Ekra E1
184 pages
Print Icon
To Next Page IconTo Next Page
To Next Page IconTo Next Page
To Previous Page IconTo Previous Page
To Previous Page IconTo Previous Page
Loading...
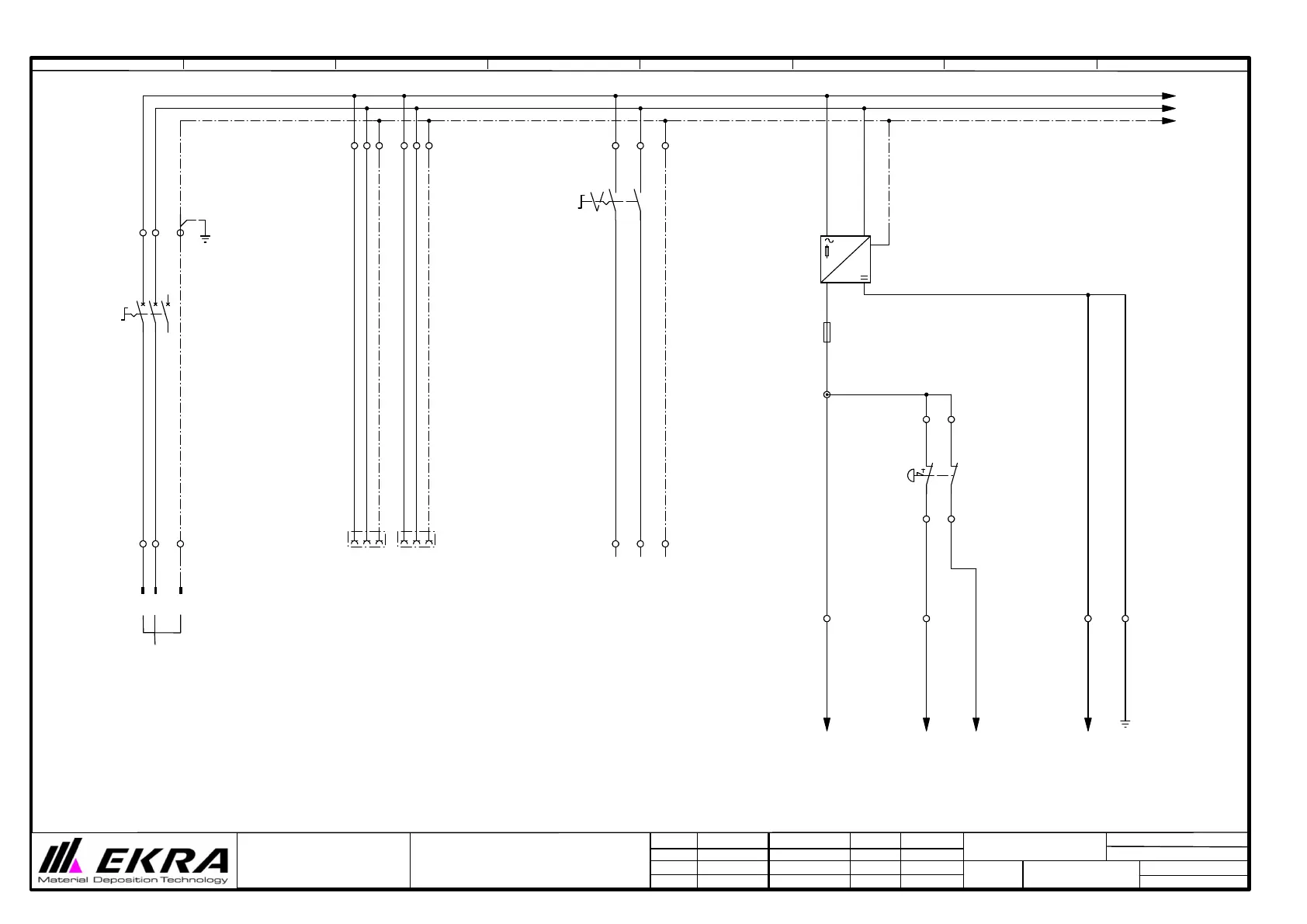
1
-X1
L1
-X1
1
-X0
2
1 3 5
2 4 6
-Q1
Hauptschalter
Main switch
N
2
PE
PE
PE
1
-X1
2
1 2 PE
-X7
PE 1 2
1 2 PE
PE 1
-X1
0
1
13
23
14
24
-S18
Vakuumschalter
vacuum switch
24
-X1
2
25
PE
PE
-F2
F4A
F4A
5
-X1
5
-X1
+24V
/3.1
+ -
-T1
315 mA träge
F1
F1
5
-X1
11 21
12 22
-S01
6
-X1
6
-X1
P+24V
/2.1
5
74
NOT-AUS
/3.1
4
-X1
0V
/3.1
4
-X1
L1
/8.1
N
/8.1
PE
/8.1
Vorsicherung max: 10A
MOPS-B
Option
Zuleitung 240V 50Hz
Option
Vakuumpumpe
Vacuum pump
option
power supply 240V 50Hz
option
MOPS-B
pre-fusing max: 10A
letzte Änderung
Datum
Name
Datum
Ersteller
Gepr.
Norm
Blatt-Nr.
Bl von Anz
1
E1
1 2 3 4 5 6 7 8
Anlage
Ort
E1-006
2/16
Einspeisung
EKRA GmbH
Zeppelinstr.16
D-74357 Bönnigheim
Tel.: +49 (0) 7143 / 88 44-0
Heime17.07.02
20.09.99
Heupel

Table of Contents

Related product manuals