EasyManua.ls Logo

Electrolux E30GF74GPS - Page 54

Electrolux E30GF74GPS
96 pages
Print Icon
To Next Page IconTo Next Page
To Next Page IconTo Next Page
To Previous Page IconTo Previous Page
To Previous Page IconTo Previous Page
Loading...
54
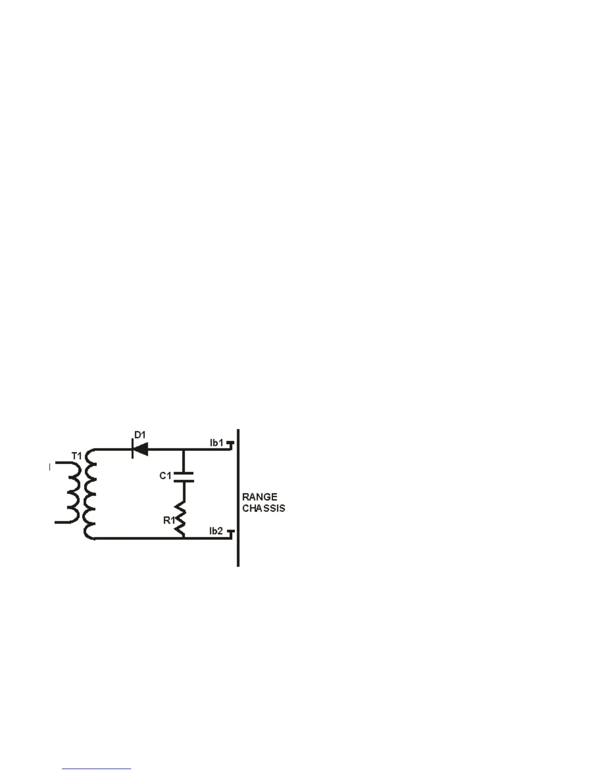
The output of the charging circuit is applied to all the
igniters. The following explanation is how a simple igni-
tion system works. When L1 is applied to the primary
of the step-up transformer T1, the output voltage on the
secondary side of transformer is increased. Since AC
voltage is being applied to the transformer the ends of
the transformer will change polarity every half cycle. In
the drawing below, when the polarity of the transformer
secondary winding is negative at the top and positive
at the bottom, current ows in the circuit formed by the
transformer secondary, diode D1, capacitor C1 and
resistor R1. This charges C1 negative on the top and
positive on the bottom. On the next half cycle, when the
top of the transformer secondary winding is positive and
the bottom is negative, the diode prevents current ow
in the circuit and prevents the capacitor from discharg-
ing. At this point the capacitor also is prevented from
discharging through the circuit formed by the capacitor,
Ib1 (igniter bank one), the range chassis, Ib2 (igniter
bank 2) and R1 by the dielectric of the air between the
igniters and the burner heads. In this drawing the burner
heads are considered part of the range chassis. The
capacitor continues to charge every half cycle until the
charge on the capacitor is high enough to break down
the resistance of the air dielectric between the igniter
tips and burner heads. At that time an electric spark
occurs between all of the igniter tips and the burner
heads. This allows current ow from the top of the
capacitor to the Ib1, across the electrical arc into the
range chassis and from the range chassis across the
electrical arc into Ib2, through the resistor to the other
side of the capacitor discharging the capacitor.
This cycle continues until the burner is ignited. The
symbols Ib1 and Ib2 represents one half of the total top
burner igniters each. If the range has four top burners
Ib1 would represent two igniters and Ib2 would repre-
sent two igniters. The resistor R1is placed in the circuit
to slow down the charging time and control the number
of sparks per second.
Once the burner has been ignited the module monitors
the ames present by sending a small electrical signal
to the igniter for that burner. A gas ame will conduct
an electrical current. The electrical signal, sent by the
module to the igniter, passes through the gas ame
to the burner head. From the burner head the signal
passes into the range chassis and returns to the module
through the ground terminal on the module. This tells
the module that ame is present on the burner. If for
any reason the ame goes out, the circuit is interrupted.
This tells the module to power the charging circuit and
reignite the burner.

Table of Contents

Other manuals for Electrolux E30GF74GPS

Related product manuals