EasyManua.ls Logo

Fluke 6060B - Page 237

Fluke 6060B
312 pages
Print Icon
To Next Page IconTo Next Page
To Next Page IconTo Next Page
To Previous Page IconTo Previous Page
To Previous Page IconTo Previous Page
Loading...
/
SCHEMATIC
DIAGRAMS
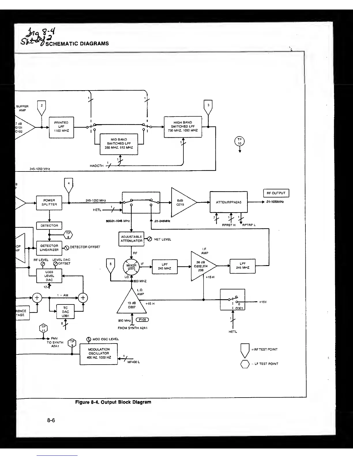
Figure 8-4. Output Block Diagram
8-6

Table of Contents

Related product manuals