EasyManua.ls Logo

Fluke 6060B - Page 245

Fluke 6060B
312 pages
Print Icon
To Next Page IconTo Next Page
To Next Page IconTo Next Page
To Previous Page IconTo Previous Page
To Previous Page IconTo Previous Page
Loading...
CCon-^
C3
V
S /L^n
V
jgc“
'doi
4
'DD2
7
'DD3
8
'DD4
13
,
g
ksl
"
5 KS2.
,
6 XS3.
10
UDNGM©
2 t}|L 17
0
Gl
3-ijiJ>ife
^
6
X 13
^
G3
;
9
KS4,
^ ^
.
/y K95
15
YS&,
J-i^>12
SS
16 167,
12 KS6
^
^
.
8^11
G8'
«
V
V
UONG
115
12./V?ril?l7 Pnp
8
PLCS
.
U
-JT
F^l
1
LG PpI
9
12
8:^>^.n
^
pn'
IE
5 14 Pc'
^
1 (p
,DD0
_l^
3
DD\
4
.002 7
.003
nn4
8
l3
.005 14
-DD6
17
.007
J0
.D0«i
3
.DDI
4
,002 7
1
-I
V
M,*!:
UDN4M8-SPLW
q
A.
A.^>ia
1
7t
ri,
tz
..._e.i>^..i.)...
.
t
^
St
Q
4
Jv'5
1
'P
3
J
45
/
i
i
'
!i?
cc
T
V
UDN61
aS
3
|
n
^
Q
\p
ir
r.
12
St^sJL
I
r /
J6
>15273®
19.
n
XiK
U4
>CK
OR
US
o
0
JML5273^
D
0
+5V
+3V
T
CI7
T
CI8
''UDNiVHS
8PLCS
^
l_
ysz
.KS3
3
.m
KSg
3
K^fe
,K57
5
KS8 7416
£1 1
22|23|a4|25|242?N
29|3Q[3i
|32|33|34|35
Gl
G2G3GfG5G6G7G8G9Gl0(;)IGI2<;i3GH6l?
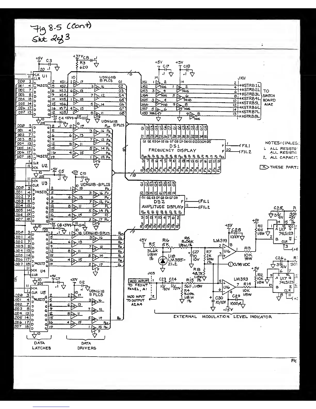
DSl
FREQUENCY
DISPLAY
-Tt^KSTRBlL
-Jf>KSTRB2L
7Q
K5TRB3L
Uy^[^u
-f^KSTRS-a.
-§I^K5TRBGL
-^KSTRB7L
-^KSTRBSL
pt.p%
p
S
7
£
l!
r ^
459
f
S
P
10 2
m-E
2>F
H
t Ri
Fii
p
13 15 17
1^
12
“•
rt
L
oJ!‘
fLJif ifK
£
(faV
CL
(f
NOTES:
CUNLES;
1. ALL RE5I5TO'
ALL RESISTC
2.
ALL
CApACn
O
I
5
|Mo| 5|^
?2}l3lKil5ilGll7ll6}t9|
61 6l&3G<tGS64G7G8
OSZ
F
AMPLITUDE
DISPUWf
3| 5|
8|
7
I0|
4| 7|
2|
R6
8.06K
LM393
2
|^Q
~~|i^ |is
%
£
ItTccIl'
A(JI7
®
74L5I23
•a
...
3^
-
UI8
LM38S-
'zi. 2.
}.%VOC
iMOD
iNPim
"TO
PCONT
PANEL,
A
I
MOD
INPUT
TO
OUTPUT
A1A4
fi
1
JV
rRii
9
LM393
^>IOK^
^
7
RJ4
1
p/ew"
lio
V
R
8
^
'^751
Tru
9
CZl
C24
Ris’
LM393
l<y
I
5i0^
UI^>Z_5^t-l
e
/ZOV
lOK
S9.09K
rao
'/8W
il/8W
+J_C30
V
>^o
pO/iOY
,000
^
V
^
EXTERNAL
modulation"' LEVEL
INDICATOR.
C26..
DATA
LATCHES
DATA
drivers

Table of Contents

Related product manuals