EasyManua.ls Logo

Fluke 6060B - Page 246

Fluke 6060B
312 pages
Print Icon
To Next Page IconTo Next Page
To Next Page IconTo Next Page
To Previous Page IconTo Previous Page
To Previous Page IconTo Previous Page
Loading...
2-5
D 4^
J
1
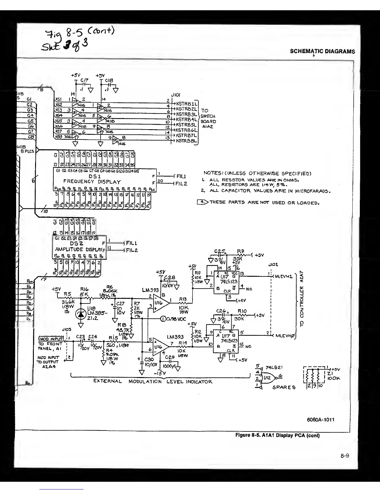
SCHEMATIC
DIAGRAMS
+5V
43V
•^ZZkSil
^ZZkc^iE
3E^>ol,
vK87
5
1:5?^. 6
-|4-»kstrbil
IjTlJSoli^
SWITCH
II^kctrIsl
zr
-^KSTHB&L
4ff>KSTR67L
K5TRB8L.
5|a]3]S]
Spl^Dlsj 031315]
5]g‘
ai|22|23|24|25|2j27|28
29 30 3l
32
33
^g
Gl Gi 03
G+ G5 GU G7 G8
G9
Gtti G12G13GMGIS
DSl
FREQUENCY
DISPLAY
F
fe R.
1!^
S
R.I
R
F
t Ri R
F?.
R P
7
f
6 4
5
910
2
H
13
15 17 14
12
JJ
„w _o
^0
jo|j«
3
Ji
^
(Ljo. 0.
Q.JQ.
a.
a. 0.
CL cf ^
df d?
NOTES;
CUNLESS
OTHERWISE
SPECIFIED)
1.
ALL RESISTOR
VALUES ARE IH
OHhAS.
all
resistors
are
IZ+W^
5%.
2.
ALL
capacitor
VALUES
ABE
IN MICROFARADS.
[3>
THESE PARTS
ARE
NOT
USED OR
LOADED,
O
3]
cal
o]
o]
S) 5l Si
ia[l3lH|l5liC>[l7ll8ll9|
G|
Gi
03 04
05
646708
DSZ
F
AMPLITUDE
OISPLWf
3|5|6|9I0|4|7|6|2|
(MOD
INPLm
TD
FCONT
PANEL
,
A(
MOO
INPUT
rooim*uT
AtAA
,
R6
^
8456K
-J
+
C27
UI8
T\0
1LM385’-
lOV ;
ZL2.
^
Re .
4A7i<:
*=i?4
Ris'^^o'^
LKA393
_£|>4®
S9.09K
T
I/8W
v7
!«,
T)o,%voc
LM393
V
7
RI4
-4
+
C30
*
1(
,
V -IS'V
1
h
|iS llG
c
*cTcclf3
AUI7
Q
74LSI23
&
C26».
|7^
c
RC
«r
A
U!7
<3
-2
74L5I23
B S
NO
CLR
:mlevwi
MLEVH^I
EXTERNAL
MODULATION
LEVEL INDICATOR
74L52I
SPARES
^•*-5V
7.I
lOOK
6060A-1011
Figure 8-5.
A1A1
Display PCA
(cent)
8-9

Table of Contents

Related product manuals