EasyManua.ls Logo

GE P741 - CB State Monitoring Features Diagram; Remote Control of Circuit Breaker Diagram

GE P741
560 pages
Print Icon
To Next Page IconTo Next Page
To Next Page IconTo Next Page
To Previous Page IconTo Previous Page
To Previous Page IconTo Previous Page
Loading...
P74x/EN OP/
Na7
Operation
(OP) 5
-
40
MiCOM P741, P742
, P743
OP
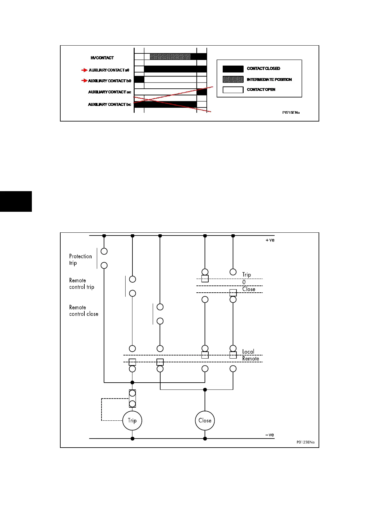
FIGURE 27: CB STATE MONITORING FEATURES
3.3 Circuit Breaker Control
The relay includes the following options for control of a single circuit breaker:
Local tripping and closing, via the relay menu
Local tripping and closing, via relay opto-isolated inputs
It is recommended that separate relay output contacts are allocated for remote circuit
breaker control and protection tripping. This enables the control outputs to be selected via a
local/remote selector switch as shown below. Where this feature is not required the same
output contact(s) can be used for both protection and remote tripping.
FIGURE 28: REMOTE CONTROL OF CIRCUIT BREAKER
The following table is taken from the relay menu and shows the available settings and
commands associated with circuit breaker control.
A manual trip will be permitted provided that the circuit breaker is initially closed. Likewise, a
close command can only be issued if the CB is initially open. To confirm these states it will

Table of Contents

Related product manuals