EasyManua.ls Logo

Guldmann GH - Combi-Lock 3, Single Electrical

Guldmann GH
168 pages
Print Icon
To Next Page IconTo Next Page
To Next Page IconTo Next Page
To Previous Page IconTo Previous Page
To Previous Page IconTo Previous Page
Loading...
© Guldmann GB/US-09/2016 • #550376_3
156
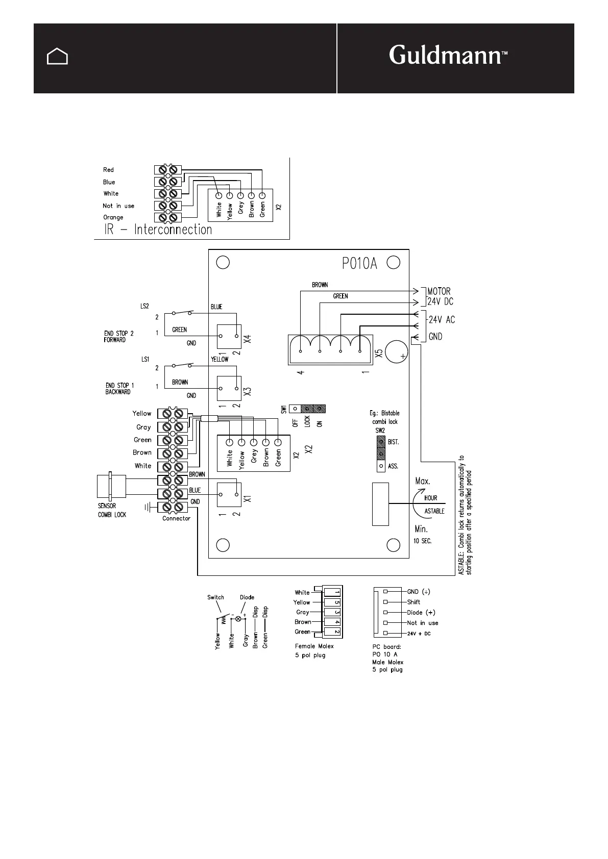
TECHNICAL DRAWINGS
Electrical diagram
Combi-lock 3, single electrical

Table of Contents

Related product manuals