EasyManua.ls Logo

Guldmann GH - Gh1 & Gh1 Q

Guldmann GH
168 pages
Print Icon
To Next Page IconTo Next Page
To Next Page IconTo Next Page
To Previous Page IconTo Previous Page
To Previous Page IconTo Previous Page
Loading...
5
16
3
17
18
10
13
19
6
15
2
11
22
7
12
9
1
14
4
20
21
8
23
24
© Guldmann GB/US-09/2016 • #550376_3
133
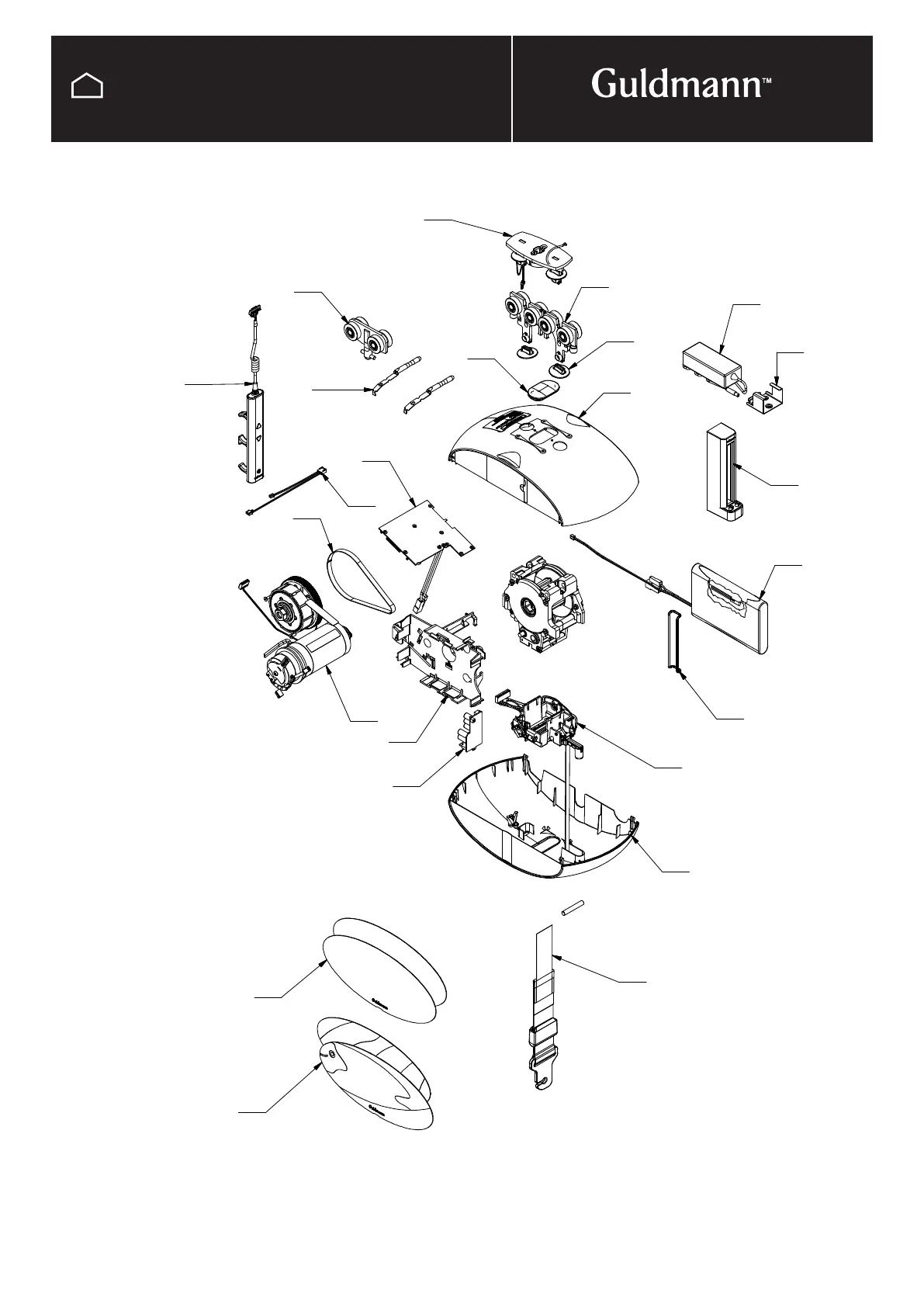
TECHNICAL DRAWINGS
Spare Part overview
GH1 & GH1 Q

Table of Contents

Related product manuals