EasyManua.ls Logo

Hirobo Shuttle Sceadu Evolution - Main Gear Installation

Hirobo Shuttle Sceadu Evolution
88 pages
Print Icon
To Next Page IconTo Next Page
To Next Page IconTo Next Page
To Previous Page IconTo Previous Page
To Previous Page IconTo Previous Page
Loading...
15
M4X4SSM4X4SS
メインギヤ
87T-79T
Main gear 87T-79T
C ¿12X¿22X2.5T
Brg. ¿12X16L
ワンウェイ
Bearing ¿12X16L one-way
オートロ駆動軸
Auto-rotation drive shaft
オートロケース
Auto-rotation case
メインギヤ
87T
Main gear 87T
DTDSタイプ
DTDS
type
ノーマルタイプ
Normal
type
DTDSタイプ
DTDS
type
ノーマルタイプ
Normal
type
セカンドギヤ
80T
Second gear 80T
メインギヤストッパー
Main gear stopper
M3ナイロンナット
M3 nylon nut
C ¿12X¿22X2.5T
M3X20CS
M3X25CS
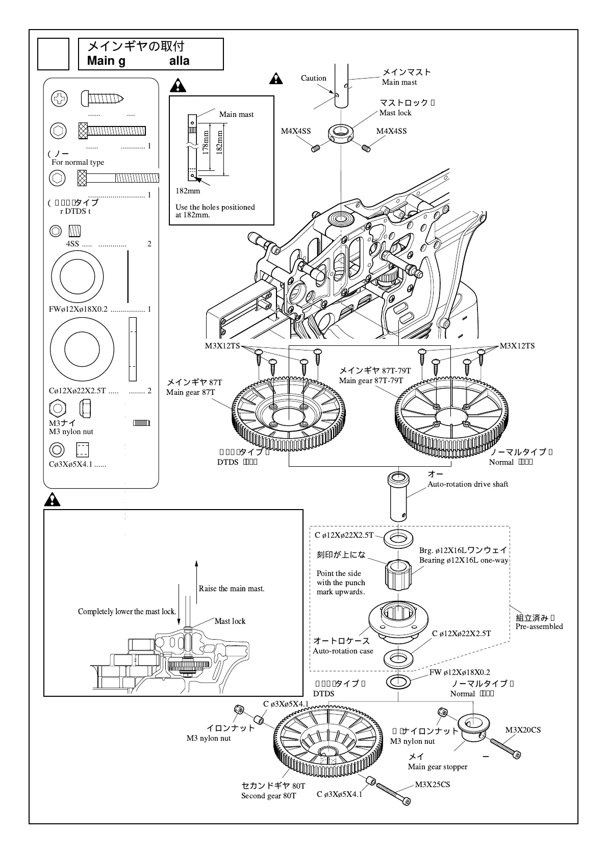
マストロック
Mast lock
メインマスト
Main mast
注意
Caution
M3X12TS
M3ナイロンナット
M3 nylon nut
FW ¿12X¿18X0.2
C ¿3X¿5X4.1
C ¿3X¿5X4.1
M3X12TS
組立済み
Pre-assembled
刻印が上にな
ります。
Point the side
with the punch
mark upwards.
メインギヤの取付
Main gear installation
8
M3X12TS ............................. 4
M3X20CS ............................. 1
(ノーマルタイプの場合)
(For normal type)
M3X25CS ............................. 1
(DTDSタイプの場合)
(For DTDS type)
M4X4SS ............................... 2
FWø12Xø18X0.2 ................. 1
Cø12Xø22X2.5T .................. 2
M3ナイロンナット ............. 1
M3 nylon nut
Cø3Xø5X4.1 ......................... 2
(DTDSタイプの場合)
(For DTDS type)
注意 Caution
メインマストをいっぱい引っぱり上げ、マストロックを通し
M4X4SS で締め付けます。
Completely raise the main mast, insert the mast lock, and fasten with an
M4X4SS screw.
注: マストが上下にあそびがない事。
Note: Thereistobenoverticalplayinthe
mast.
メインマストを引っぱ
上げる。
Raise the main mast.
マストロックをいっぱい
下げる。
Completely lower the mast lock.
マストロック
Mast lock
メインマス
Main mast
182mm
の穴を使用して
ください。
Use the holes positioned
at 182mm.
178mm
182mm
注意 Caution

Table of Contents

Related product manuals