EasyManua.ls Logo

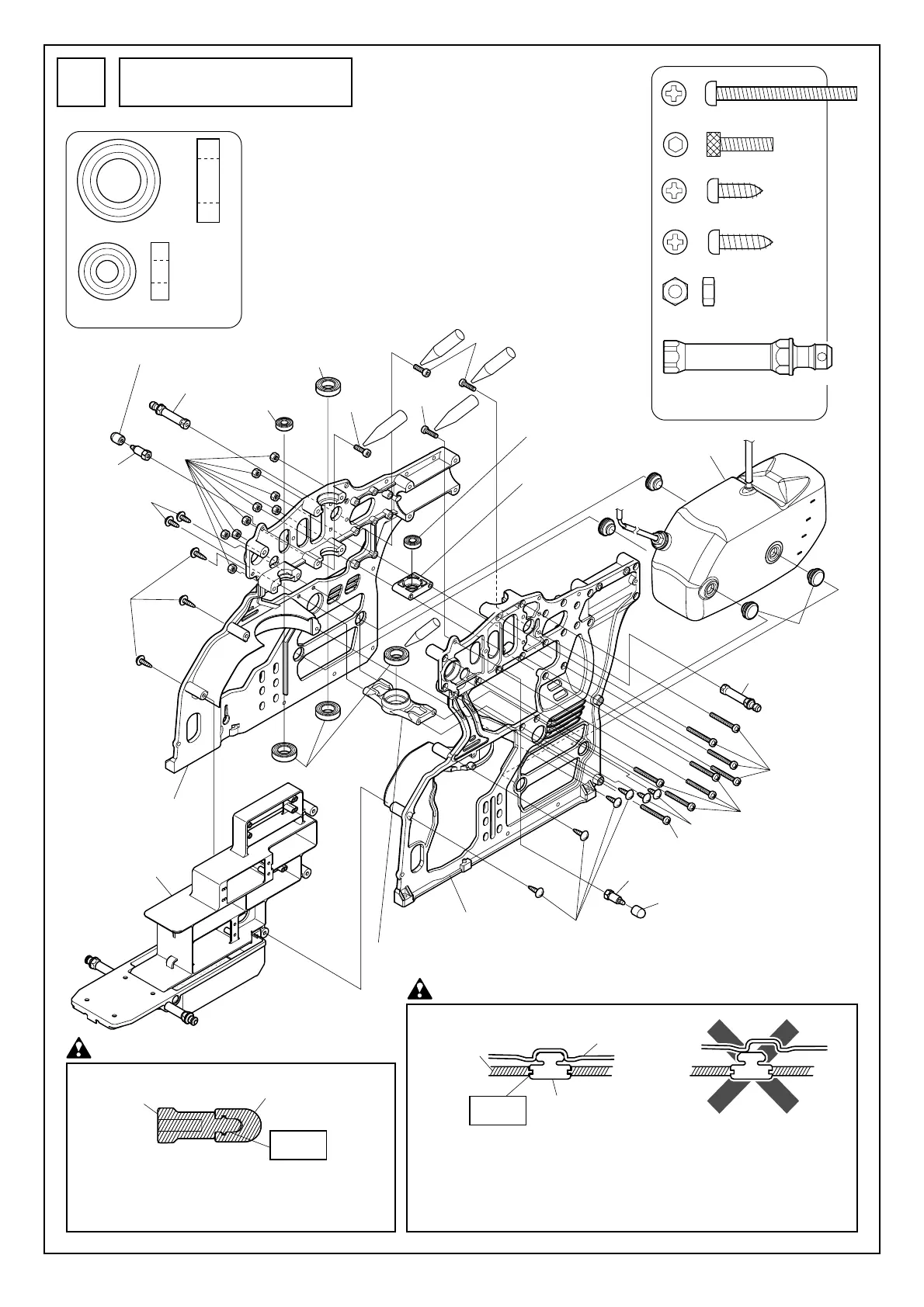
Hirobo Shuttle Sceadu Evolution - Main Frame Assembly

Hirobo Shuttle Sceadu Evolution
88 pages
Print Icon
To Next Page IconTo Next Page
To Next Page IconTo Next Page
To Previous Page IconTo Previous Page
To Previous Page IconTo Previous Page
Loading...
12
M3X12TS
M3X10TS
防振ゴム
Rubber isolators
M3X12TS
M3X10TS
M3 ナット
M3 nut
M3X32PH
M3X32PH
M3X32PH
Brg. ø10Xø19X5ZZ
Brg. ø5Xø13X4ZZ
メインフレーム (R)
Main frame (Right)
サーボマウントAssy
Servo mount assembly
メインフレーム (L)
Main frame (Left)
SF Brg.ホルダー ø13
SF bearing holder ø13
ø19 Brg.ホルダーW=60
ø19 bearing holder W=60
Brg. ø5Xø13X4ZZ
Brg. ø10Xø19X5ZZ
M3X12CS
M3X12CS
M3X12CS
ロック
ロック
Lock
ロック
Lock
ロック
Lock
Lock
キャビンサポートゴム
Cabin support rubber
キャビンサポート
Cabin support
ボディマウントL=30
Body mount L=30
ボディマウントL=30
Body mount L=30
燃料タンク
Fuel tank
キャビンサポートゴム
Cabin support rubber
キャビンサポート
Cabin support
ロック
Lock
M3X32PH............................. 9
M3X12CS ............................. 4
M3X10TS ............................. 4
M3X12TS ............................. 7
M3ナット ............................. 9
M3 nut
ボディマウントL=30 ......... 2
Body mount L=30
メインフレームの組立
Main frame assembly
4
注意 Caution
防振ゴムとフレームは凹凸部を合わせ、瞬間接着剤で接着してください。
燃料タンクの凹部を防振ゴムにはめ込んでください。
Connect the female part of the rubber isolator and the male part of the frame together
and seal with quick-dry adhesive.
Insert the female part of the fuel tank in the male part of the rubber isolator.
メインフレーム
Main frame
燃料タンク
Fuel tank
防振ゴム
Rubber isolator
接着
Adhesive
Brg.ø10Xø19X5ZZ............... 4
Brg.ø5Xø13X4ZZ................. 2
キャビンサポートゴムはキャビンサポートに瞬間接着剤で
接着してください。
Attach the cabin support rubber to the cabin support
using quick-drying adhesive.
キャビンサポート
Cabin support
キャビンサポートゴム
Cabin support rubber
接着
Adhesive
注意 Caution

Table of Contents

Related product manuals