EasyManua.ls Logo

Hirobo Shuttle Sceadu Evolution - Page 74

Hirobo Shuttle Sceadu Evolution
88 pages
Print Icon
To Next Page IconTo Next Page
To Next Page IconTo Next Page
To Previous Page IconTo Previous Page
To Previous Page IconTo Previous Page
Loading...
73
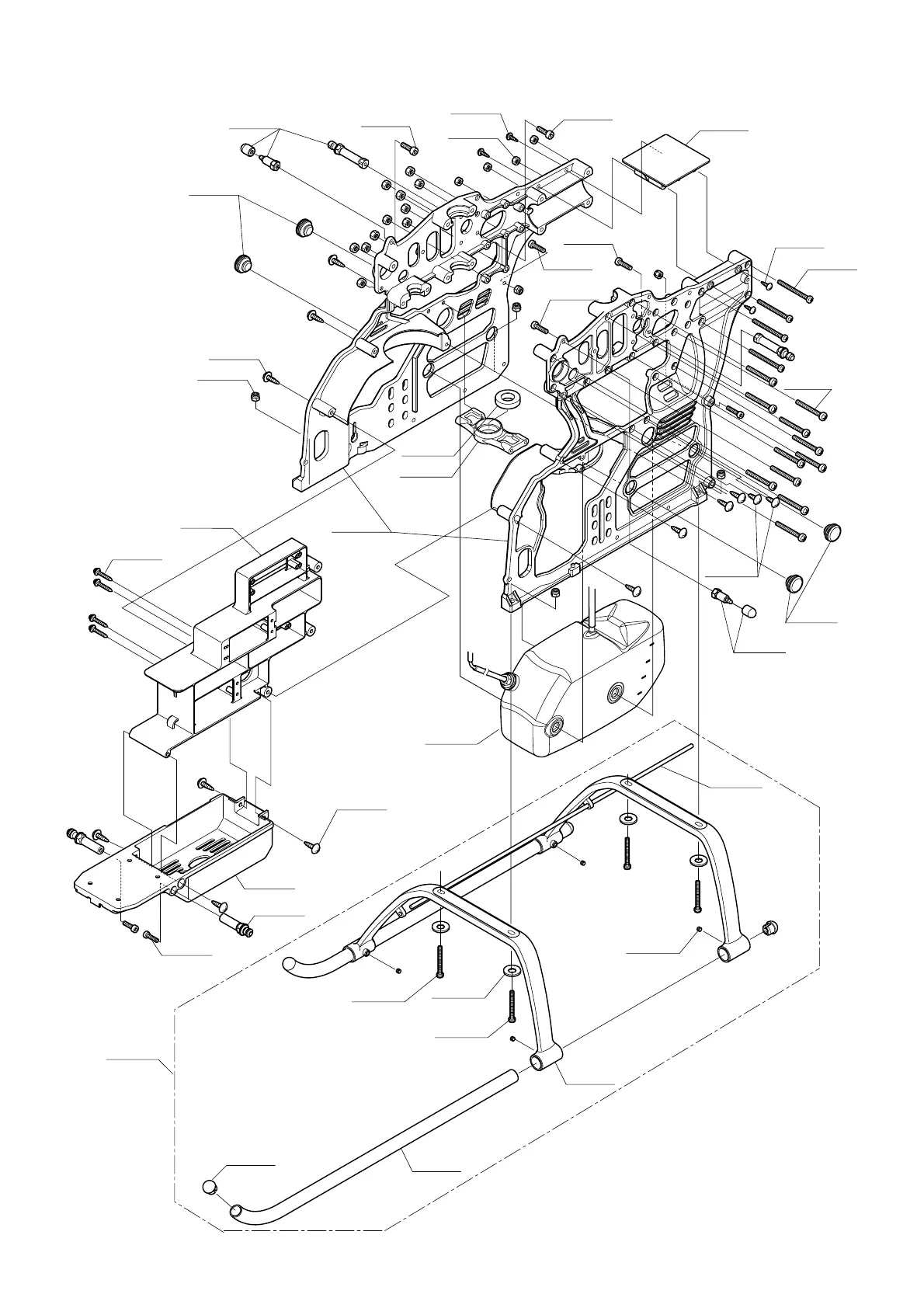
0403-022
2532-004
2532-004
2532-004
2532-038
0412-217
2534-007
2534-007
2505-006
2537-002
2505-002
0412-200
2534-007
0412-218
2533-024
2533-024
2534-012
0402-639
2523-020
0412-217
0402-530
0412-201
0412-204
2500-049
0412-219
0403-254
0402-532
2532-006
2532-006
2506-010
2531-002
0412-130
0412-217
2532-004
2534-007
2532-004
0412-200

Table of Contents

Related product manuals