EasyManua.ls Logo

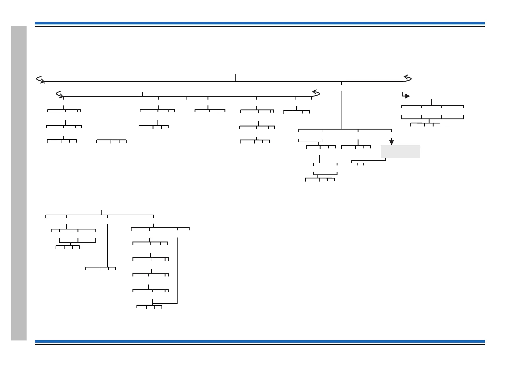
Honeywell Vigilon 4 loop - BS Vigilon Control Panel with MCC at V3.97 or Higher [Set Up] Menu Map 4-1 and 4-2

Honeywell Vigilon 4 loop
162 pages
Print Icon
To Next Page IconTo Next Page
To Next Page IconTo Next Page
To Previous Page IconTo Previous Page
To Previous Page IconTo Previous Page
Loading...
Commissioning instructions
112 4188-856_issue 7_07/15_Generic Vigilon (Compact + VA) Comms.
Appendix A-2 - Menu maps for BS (V3+) Vigilon panel
[Build]
[Action]
[Label]
Key
[E] = [Enter]
[C] = [Cancel]
[Q] = [Quit]
[Trigger]
[Loop]
[Device]
[IO Line]
~
{}
Params
1-255
{}
Params
1-48
{}
Params
1-207
[TimeBlk] [Sector]
~
[C] [Q]
[E]
{}
Params
1-128
[Mode]
[Zone] [1stDev] [AllDev]
[C] [Q]
[E]
[TimeBlok] [Task]
[Trigger]
{}
Params
1-8
[Sensors]
{}
Params
1-255
[C] [Q]
[E]
[Remove]
<etc> [MSector] [Channel]
~
[None] <etc>
{}
Params
1-8
[C] [Q]
[E]
{}
Params
1-15
[Loop]
{}
Params
1-32
{}
Params
1-8
[C] [Q]
[E]
{}
Params
1-255
[Loop]
[Device]
{}
Params
1-6
{}
Params
1-207
[C] [Q]
[E]
{}
Params
1-8
[C] [Q]
[E]
[Zone]
~
Params
0-15
[C] [Q]
[E]
{}
[PreFires]
{}
Params
0-3
[Fires]
{}
Params
0-3
[Start MA]
[C] [Q]
[E]
[Stop MA] * [NoAction] [UserCode]
[Display]
[C] [Q]
[E]
[None]
Enter text to be displayed
[C] [Q]
[E]
[Reversb]
[C] [Q]
[E]
[Not Revs]
Access to whole
of [Control] menu
[C] [Q]
[E]
BS Vigilon with MCC at
V3.97 or higher
Control panel
Menu map 4-1 and 4-2[Set Up]
[Print] [Both]
Set up
menu map 4-1
Set up
menu map 4-2
[SuperFires]
{}
Params
0-3
Menus accessible with panel door open and AL3 password
Access level 3
Access level 3
~ - These menu options are not applicable at a Network node.
Access level 3
*
- Not a reversible action

Table of Contents

Related product manuals