EasyManua.ls Logo

Huawei NetCol5000-A - Page 70

Huawei NetCol5000-A
269 pages
Print Icon
To Next Page IconTo Next Page
To Next Page IconTo Next Page
To Previous Page IconTo Previous Page
To Previous Page IconTo Previous Page
Loading...
NetCol5000-A 42 kW Air Cooled In-row Precision Air
Conditioner
User Manual
3 Installation Guide
Issue 01 (2017-07-27)
62
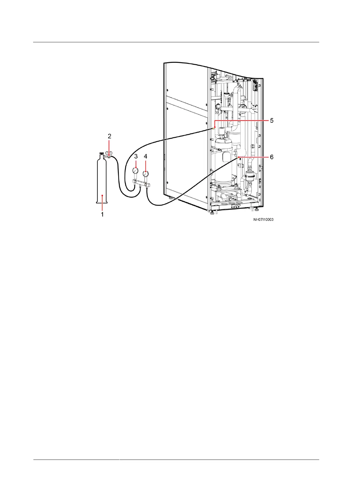
Figure 3-36 Charging nitrogen to pipes without configuring low-temperature component
(1) Nitrogen cylinder
(2) Reducing valve
(3) Low pressure gauge
(4) High pressure gauge
(5) Low-pressure needle valve
(6) Exhaust pipe needle valve
If a low-temperature component is installed on the outdoor side, connect pipes as shown
in Figure 3-37, and charge nitrogen into the system from the low-pressure, discharge
pipe, and liquid pipe needle valves simultaneously.

Table of Contents

Related product manuals