EasyManua.ls Logo

Huawei NetCol5000-A - Connecting the Humidifier Water Inlet Pipe

Huawei NetCol5000-A
269 pages
Print Icon
To Next Page IconTo Next Page
To Next Page IconTo Next Page
To Previous Page IconTo Previous Page
To Previous Page IconTo Previous Page
Loading...
NetCol5000-A 42 kW Air Cooled In-row Precision Air
Conditioner
User Manual
3 Installation Guide
Issue 01 (2017-07-27)
56
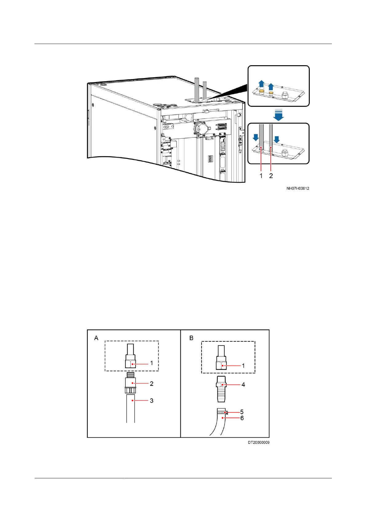
Figure 3-29 Top pipe routing
(1) Gas pipe
(2) Liquid pipe
Step 2 Connect the gas and liquid pipes to the gas and liquid pipes of the outdoor unit respectively.
----End
3.9.2 Connecting the Humidifier Water Inlet Pipe
Context
The humidifier water inlet pipe can be connected using a hose or a rigid pipe. Figure 3-4
shows how to connect the pipe.
Figure 3-30 Connecting a water inlet pipe
(1) Connector with inner screw
(2) Rigid pipe conversion
(3) Rigid pipe:

Table of Contents

Related product manuals