EasyManua.ls Logo

Huawei NetCol5000-A - Page 94

Huawei NetCol5000-A
269 pages
Print Icon
To Next Page IconTo Next Page
To Next Page IconTo Next Page
To Previous Page IconTo Previous Page
To Previous Page IconTo Previous Page
Loading...
NetCol5000-A 42 kW Air Cooled In-row Precision Air
Conditioner
User Manual
4 Commissioning
Issue 01 (2017-07-27)
86
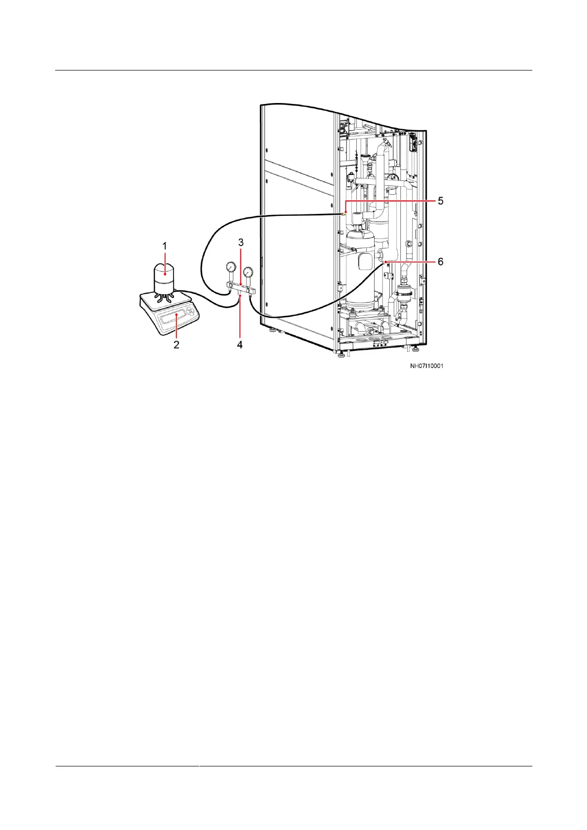
Figure 4-3 Precharging refrigerant into the system without a low-temperature component
(1) Refrigerant cylinder
(2) Electronic scale
(3) Pressure gauge
(4) Connection nut
(5) Low-pressure needle valve
(6) Exhaust pipe needle valve

Table of Contents

Related product manuals