EasyManua.ls Logo

Hussmann Super Plus - Page 100

Hussmann Super Plus
147 pages
Print Icon
To Next Page IconTo Next Page
To Next Page IconTo Next Page
To Previous Page IconTo Previous Page
To Previous Page IconTo Previous Page
Loading...
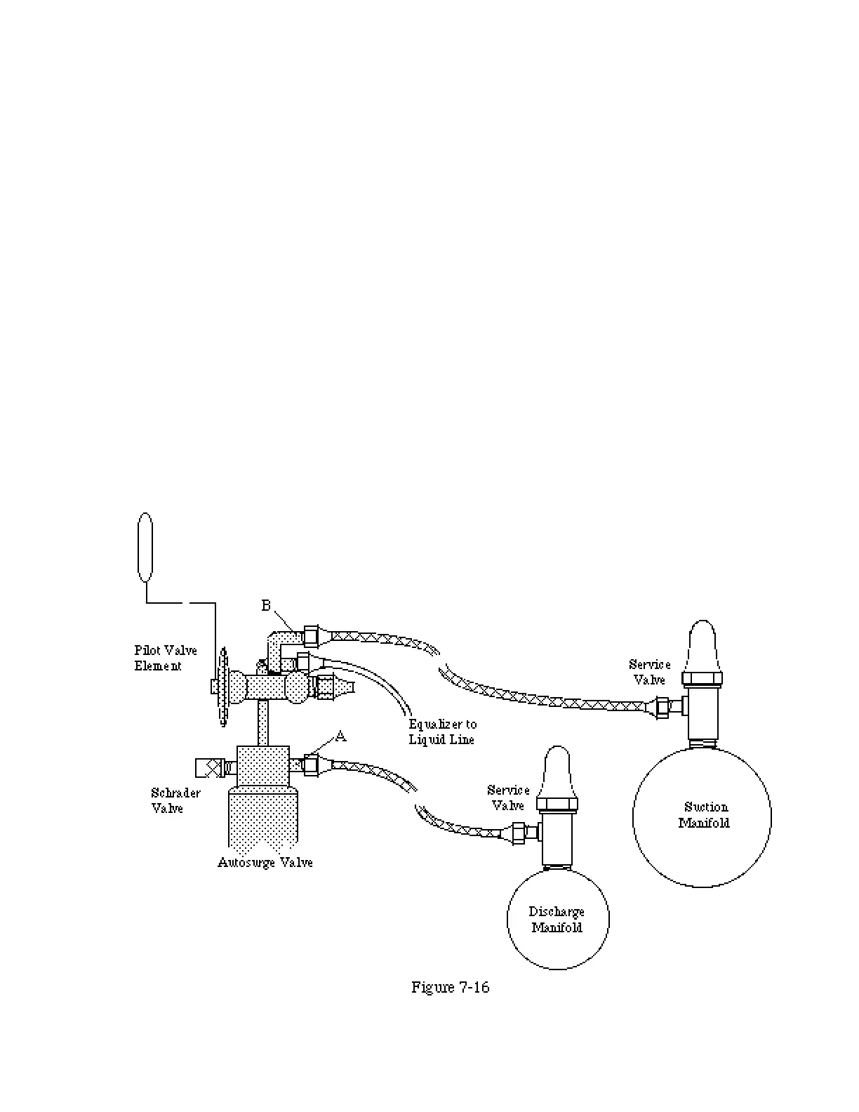
System Start-up
The pilot valve is pre-set at the factory for
10
O
F subcooling.
Valve off pilot while leak testing the system;
excessive pressure can damage the Pilot
Valve Element.
Do not attempt to field adjust.
On initial start up, valve off the high pressure
pilot line from the Discharge Manifold. Once
the system has stabilized, open the valve.
Be sure all pilot lines are open.
Be sure pilot valve bulb has good contact to
the Liquid Return Line, and is well insulated.
In case of bulb charge loss or pilot failure,
do not attempt to substitute a TEV element.
Emergency Bypass
If the pilot valve fails for any reason, the sys-
tem will be forced into Surge flow aro u n d
the Receiver. To achieve Flow through the
Receiver follow the steps below:
1 . Valve off the high pressure pilot line at
D i s c h a rge Manifold
2 . Disconnect flex hose at Surge Valve (A) and
plug hose with a
1
4-inch flare plug (finger
t i g h t e n ) .
3 . Valve off the suction pressure pilot line at
Suction Manifold.
4 . Disconnect flex hose at Pilot Valve (B) and
reconnect to Surge Valve Inlet (A) .
5 . Cap Pilot Valve Suction Outlet with a
1
4-inch flare cap.
6 . Open suction pressure pilot line valve at
Suction Manifold.
HUSSMANN CORPORATION • BRIDGETON, MO 63044-2483 • Printed in USA
Revised August 1, 1996 P/N 340272A
7 - 13

Table of Contents

Related product manuals